烨弘轩电子最新到货 有最新批号 朱生 13410068358 微信同号 可提供样品 批量 方案 技术资料 技术支持 竭诚为您提供优质服务。需要查询更多产品 www.yhx-group.com 。
EM2130H01QI 有现货 可添加我们联系方式获取最优惠价格
原厂原包原标原装每一片都来自正规渠道每一片都可追溯
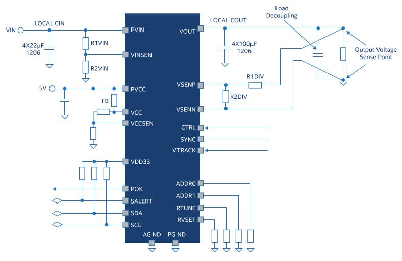
Intel® Enpirion® EM2030、EM2120、EM2130和EM2140 PowerSoC是具有集成电感器的高效20A、30A和40A降压直流-直流开关转换器。该PowerSoC具有数字控制功能,设有PMBus™ v1.2兼容接口。这些器件在11x17mm的QFN小尺寸封装中集成有电源开关、电感器、栅极驱动器、控制器以及补偿功能。
该PowerSoC与PMBus 1.2版本兼容。这有助于根据应用的需求配置器件设置,包括输出电压、故障阈值和警告。这些器件旨在成为典型、出色而全面的电源系统。由此实现的低风险解决方案具有低故障次数 (FIT),并可将所有直流/直流器件完全集成到封装中。相比其他分立电源解决方案,EM2030、EM2120、EM2130和EM2140能够极大地提高系统可靠性。
特性
集成电感器、FET和数字控制器
4.5V至16V VIN的宽范围
采用11mmx17mmx6.76mm QFN封装,效率高
符合所有高性能FPGA要求
设有数字环路,可实现同类最佳瞬态响应
线路、负载和温度范围内的设定点:0.5%
输出纹波低至10 mV峰值-峰值
差分远程感测
单调启动进入预偏置输出
存储在NVM中的优化FPGA配置
20A、30A或40A连续电流,无热降额
可通过PMBus进行编程
VOUT裕度、启动和关闭延迟
可编程警告、故障和响应
可以在不借助PMBus的情况下工作
RVSET电阻器,用于可编程VOUT
RTUNE电阻器,用于单电阻补偿
跟踪引脚,用于复杂排序
符合RoHS指令、MSL 3级要求,可进行260ºC回流焊
应用
高性能FPGA电源轨
ASIC和处理器电源轨
高密度双数据速率 (DDR) 内存VDDQ电源轨
零件编号 输出电压 输出电流
EM2130H01QI 1.35 V to 3.6 V 30 A
EM2120L01QI 0.7 V to 1.325 V20 A
EM2130L01QI 0.7 V to 1.325 V30 A
EM2120H01QI 1.35 V to 5 V20 A
EM2140P01QI 0.7 V to 1.325 V40 A
EM2030L01QI 0.5 V to 1.325 V30 A

EM2130H01QI 制造商: Intel
产品种类: 开关稳压器
RoHS: 详细信息
安装风格: SMD/SMT
封装 / 箱体: QFN-100
输出电压: 1.35 V to 3.6 V
输出电流: 30 A
输出端数量: 1 Output
最大输入电压: 16 V
拓扑结构: Buck
最小输入电压: 4.5 V
开关频率: 1333 kHz
最小工作温度: - 40 C
最大工作温度: + 85 C
系列: EM2130
封装: Tray
输入电压: 4.5 V to 16 V
类型: Step Down DC-DC Switching Converter
商标: Intel / Altera
关闭: Shutdown
开发套件: EVB-EM2130H01
负载调节: 0.07 mV/A
湿度敏感性: Yes
工作电源电流: 80 mA
工厂包装数量: 112
电源电压-最小: 4.75 V
商标名: Enpirion
深圳市烨弘轩电子有限公司,我司2011年成立于中国经济特区深圳.我司专注于为全球电子企业提供优质的电子零件供应服务,竭力打造全球品牌元器件零售与批量供应中心。专业经营各类电子元器件(集成电路IC,存储芯片,分立器件,电源,无源元件,连接器,继电器,传感器,光电子,开关,保险元件,紧固件,开发工具,变压器,测试与测量等)。 我们以低成本提供全方位一站式电子元件供应链采购方案,包括但不仅限于电子元件紧急物料搜寻,电子元件齐套供应、电子元件降低成本的长期供应,库存寄售等一系列供应链解决方案。优势供应各类电子组件.
==================
深圳市烨弘轩电子有限公司 重点客户遍布中国内地 港 澳 台地区,另外欧美发达国家以及 一代一路沿线发展中国家我司也有大量长期合作的优质客户。
==================
深圳市烨弘轩电子有限公司 为一般纳税人 可开具17%增值税票 有合作基础可申请月结,延长账期等多种供货付款方式。
==================
公司经营目标:整合全球资源全 芯 全意为您服务。
公司服务宗旨:客户虐我千百遍,我待客户如初恋。
==================
主营 : 主动电子元器件 集成电路 IC 芯片 (AD TI MAX NXP ST LT XILINX ALTERA)等。
==================
联系方式: 您可以通过下面任意一种方式 联系到我们
企业网站:www.yhx-group.com
shype: pretying
阿里旺旺:cd_prety
微信号:yihuazhu666
销售经理:朱宜华 深圳市烨弘轩电子有限公司 深圳市福田区上步工业区204栋5楼东座516室
电话: 0755-82548684 多线
传真: 0755-82523504
手机: 13410068358
QQ : 746277983 1520285168
微信号: yihuazhu666
邮箱: zyh1818118@126.com
==================
烨弘轩电子郑重承诺:
我司所售物料 可提供样品 批量 方案 技术资料 技术支持。所有物料都是 原厂原包原标原装,每一片都来自正规渠道,每一片都可追溯。










