烨弘轩电子最新到货 有最新批号 朱生 13410068358 微信同号 可提供样品 批量 方案 技术资料 技术支持 竭诚为您提供优质服务。需要查询更多产品 www.yhx-group.com 。
380-10-101-00-002000 380-10-102-00-00200 002000 480-10-204-00-002000 有现货 可添加我们联系方式获取最优惠价格
原厂原包原标原装每一片都来自正规渠道每一片都可追溯
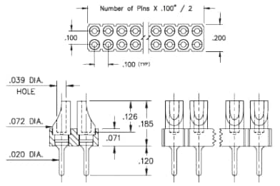
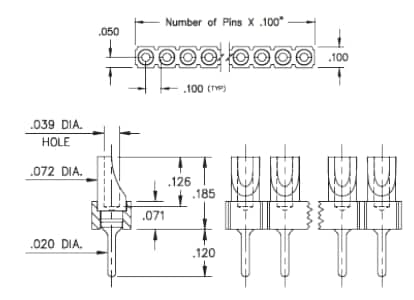
Mill-Max 380 and 480 Low Profile Headers are single row and double row solder cup headers that deliver 25% reduction in height. These headers feature 0.185" (4.7mm) stand-off height, 0.100" (2.54mm) pin spacing, and 0.20" (0.51mm) diameter tails suitable for mating with a variety of sockets. The 380 and 480 headers are uniformly aligned to facilitate efficient soldering especially useful for terminating cables and can accept up to a 22AWG stranded wire. These low profile headers are ideal for making wire-to-board connections where keeping the overall height to a minimum is essential. The connectors are available from 1 to 64 positions single row and 2 to 72 positions double row.
Features
Low profile solder cup header
Delivers 25% reduction in height
Insulator material is Nylon 46 with an HDT of 290ºC
Single row connectors from 1 to 64 positions
Double row connectors from 2 to 72 positions
Solder cup pins are precision turned from brass alloy
380-10-101-00-002000 制造商: Mill-Max
产品种类: 集管和线壳
产品: Headers
类型: Pin Strip
位置数量: 1 Position
节距: 2.54 mm
排数: 1 Row
安装风格: Through Hole
端接类型: Solder Cup
安装角: Straight
触点类型: Pin (Male)
触点电镀: Gold
系列: 380
外壳材料: Polyester (PCT)
电压额定值: 150 VDC
商标: Mill-Max
触点材料: Brass

380-10-105-00-002000
380-10-106-00-002000
380-10-107-00-002000
380-10-108-00-002000
480-10-206-00-002000
380-10-110-00-002000
480-10-208-00-002000
480-10-210-00-002000
480-10-212-00-002000
480-10-214-00-002000
480-10-220-00-002000
深圳市烨弘轩电子有限公司,我司2011年成立于中国经济特区深圳.我司专注于为全球电子企业提供优质的电子零件供应服务,竭力打造全球品牌元器件零售与批量供应中心。专业经营各类电子元器件(集成电路IC,存储芯片,分立器件,电源,无源元件,连接器,继电器,传感器,光电子,开关,保险元件,紧固件,开发工具,变压器,测试与测量等)。 我们以低成本提供全方位一站式电子元件供应链采购方案,包括但不仅限于电子元件紧急物料搜寻,电子元件齐套供应、电子元件降低成本的长期供应,库存寄售等一系列供应链解决方案。优势供应各类电子组件.
==================
深圳市烨弘轩电子有限公司 重点客户遍布中国内地 港 澳 台地区,另外欧美发达国家以及 一代一路沿线发展中国家我司也有大量长期合作的优质客户。
==================
深圳市烨弘轩电子有限公司 为一般纳税人 可开具17%增值税票 有合作基础可申请月结,延长账期等多种供货付款方式。
==================
公司经营目标:整合全球资源全 芯 全意为您服务。
公司服务宗旨:客户虐我千百遍,我待客户如初恋。
==================
主营 : 主动电子元器件 集成电路 IC 芯片 (AD TI MAX NXP ST LT XILINX ALTERA)等。
==================
联系方式: 您可以通过下面任意一种方式 联系到我们
企业网站:www.yhx-group.com
shype: pretying
阿里旺旺:cd_prety
微信号:yihuazhu666
销售经理:朱宜华 深圳市烨弘轩电子有限公司 深圳市福田区上步工业区204栋5楼东座516室
电话: 0755-82548684 多线
传真: 0755-82523504
手机: 13410068358
QQ : 746277983 1520285168
微信号: yihuazhu666
邮箱: zyh1818118@126.com
==================
烨弘轩电子郑重承诺:
我司所售物料 可提供样品 批量 方案 技术资料 技术支持。所有物料都是 原厂原包原标原装,每一片都来自正规渠道,每一片都可追溯。










