烨弘轩电子最新到货 有最新批号 朱生 13410068358 微信同号 可提供样品 批量 方案 技术资料 技术支持 竭诚为您提供优质服务。需要查询更多产品 www.yhx-group.com 。
009148008080206 有现货 可添加我们联系方式获取最优惠价格
原厂原包原标原装每一片都来自正规渠道每一片都可追溯
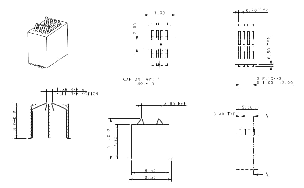
AVX BTB高堆叠式连接器设计用于连接两个平行的PCB,采用8mm电路板间距和双排配置。这些连接器具有通过每个触点的1A额定连续电流,设有八个位置,间距为1mm。
借助单排或双排选项(所有选项均在相同的1mm触点间距上)进行灵活的设置,该款表面贴装型、耐高温尼龙塑料连接器可以提供4mm-12mm的电路板间距。AVX BTB高堆叠式连接器利用镀金衬垫进行插接,具有耐冲击和耐振动特性。由于具有以上特性以及较宽的工作温度范围(-40°C至125°C),因此该连接器成为适用于汽车、工业、医疗及便携式(对接)应用的可靠BTB解决方案。
特性
通过所有触点的1A连续电流
额定电压:125VAC
工作温度范围:-40°C至125°C
符合UL94V0规范的耐高温塑料结构
减少公差累积
耐冲击、耐振动
50次插拔
应用
汽车(娱乐系统)
需要对接或底座充电的手持式/便携式设备
患者监护或便携式医用电子产品
需要可插拔或编程模块的工业设备
需要备用电池的互联网应用
制造商: AVX
产品种类: 板对板与夹层连接器
产品: Connectors
位置数量: 8 Position
节距: 1 mm
排数: 4 Row
端接类型: SMD
安装角: Straight
电流额定值: 1 A
电压额定值: 125 VAC
系列: 00-9148
封装: Cut Tape
封装: MouseReel
封装: Reel
触点电镀: Gold
外壳材料: Nylon
商标: AVX
触点材料: Copper
可燃性等级: UL 94 V-0
最大工作温度: + 125 C
最小工作温度: - 40 C
湿度敏感性: Yes
叠放高度: 8 mm
工厂包装数量: 400


深圳市烨弘轩电子有限公司,我司2011年成立于中国经济特区深圳.我司专注于为全球电子企业提供优质的电子零件供应服务,竭力打造全球品牌元器件零售与批量供应中心。专业经营各类电子元器件(集成电路IC,存储芯片,分立器件,电源,无源元件,连接器,继电器,传感器,光电子,开关,保险元件,紧固件,开发工具,变压器,测试与测量等)。 我们以低成本提供全方位一站式电子元件供应链采购方案,包括但不仅限于电子元件紧急物料搜寻,电子元件齐套供应、电子元件降低成本的长期供应,库存寄售等一系列供应链解决方案。优势供应各类电子组件.
==================
深圳市烨弘轩电子有限公司 重点客户遍布中国内地 港 澳 台地区,另外欧美发达国家以及 一代一路沿线发展中国家我司也有大量长期合作的优质客户。
==================
深圳市烨弘轩电子有限公司 为一般纳税人 可开具17%增值税票 有合作基础可申请月结,延长账期等多种供货付款方式。
==================
公司经营目标:整合全球资源全 芯 全意为您服务。
公司服务宗旨:客户虐我千百遍,我待客户如初恋。
==================
主营 : 主动电子元器件 集成电路 IC 芯片 (AD TI MAX NXP ST LT XILINX ALTERA)等。
==================
联系方式: 您可以通过下面任意一种方式 联系到我们
企业网站:www.yhx-group.com
shype: pretying
阿里旺旺:cd_prety
微信号:yihuazhu666
销售经理:朱宜华 深圳市烨弘轩电子有限公司 深圳市福田区上步工业区204栋5楼东座516室
电话: 0755-82548684 多线
传真: 0755-82523504
手机: 13410068358
QQ : 746277983 1520285168
微信号: yihuazhu666
邮箱: zyh1818118@126.com
==================
烨弘轩电子郑重承诺:
我司所售物料 可提供样品 批量 方案 技术资料 技术支持。所有物料都是 原厂原包原标原装,每一片都来自正规渠道,每一片都可追溯。










