烨弘轩电子最新到货 有最新批号 朱生 13410068358 微信同号 可提供样品 批量 方案 技术资料 技术支持 竭诚为您提供优质服务。需要查询更多产品 www.yhx-group.com 。
LTC3871HLXE#PBF LTC3871ELXE#PBF 有现货 可添加我们联系方式获取最优惠价格
原厂原包原标原装每一片都来自正规渠道每一片都可追溯
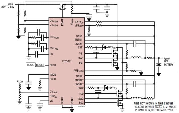
Linear Technology/Analog Devices LTC3871 Bidirectional PolyPhase® Synchronous Controllers are high-performance 100V/30V bidirectional two-phase controllers capable of operating in either buck or boost mode on demand. Depending on the control signal, LTC3871 regulates in buck mode from VHIGH-to-VLOW and boost mode from VLOW-to-VHIGH. These regulation capabilities make the LTC3871 controllers ideal for automotive dual battery systems.
The controllers regulate the maximum current delivered in either direction through an accurate current programming loop. The current programming loop allows the two batteries to supply energy to the load simultaneously by converting energy from one battery to the other.
Using a proprietary constant-frequency, current-mode architecture, the LTC3871 enhances the signal-to-noise ratio. This enhanced signal-to-noise ratio enables low-noise operation and delivers excellent current matching between phases.
Additional features of the LTC3871 include continuous or discontinuous operation, OV/UV monitors, accurate output current monitoring, independent loop compensation for buck and boost operation, and overcurrent protection.
Features
Unique Architecture Allows Dynamic Regulation of Input Voltage, Output Voltage or Current
VHIGH Voltages Up to 100V
VLOW Voltages Up to 30V
Synchronous Rectification: Up to 97% Efficiency
LTC-Proprietary Advanced Current Mode Control
±1% Voltage Regulation Accuracy Over Temperature
Accurate, Programmable Output Current Monitoring and Regulation for Both Buck and Boost Operation
Selectable Buck and Boost Current Sense Limits
Programmable DRVCC/EXTVCC Optimizes Efficiency
Programmable VHIGH UV and OV Thresholds
Programmable VLOW OV Threshold
Phase-Lockable Frequency: 60kHz to 460kHz
Multiphase/Multi-ICs Operation Up to 12 Phases
Selectable CCM/DCM Modes
Thermally Enhanced 48-Lead LQFP Package
Applications
Automotive 48V/12V Dual Battery Systems
Backup Power Systems
LTC3871HLXE#PBF
LTC3871ELXE#PBF
LTC3871ILXE#PBF

LTC3871HLXE#PBF 制造商: Analog Devices Inc.
产品种类: 开关稳压器
安装风格: SMD/SMT
封装 / 箱体: LQFP-48
输出电压: 1.2 V to 100 V
输出电流: 30 A
输出端数量: 1 Output
最大输入电压: 100 V
拓扑结构: Buck, Boost
最小输入电压: 1.2 V
开关频率: 500 kHz
最小工作温度: - 40 C
最大工作温度: + 150 C
资格: AEC-Q100
系列: LTC3871
输入电压: 1.2 V to 100 V
工作温度范围: - 40 C to + 150 C
静态电流: 8 mA
类型: Switching Regulator
商标: Analog Devices / Linear Technology
关闭: Shutdown
开发套件: DC2348A-A,DC2348A-B
负载调节: 0.01 %
湿度敏感性: Yes
工作电源电流: 8 mA
工厂包装数量: 250
单位重量: 2.698 g
深圳市烨弘轩电子有限公司,我司2011年成立于中国经济特区深圳.我司专注于为全球电子企业提供优质的电子零件供应服务,竭力打造全球品牌元器件零售与批量供应中心。专业经营各类电子元器件(集成电路IC,存储芯片,分立器件,电源,无源元件,连接器,继电器,传感器,光电子,开关,保险元件,紧固件,开发工具,变压器,测试与测量等)。 我们以低成本提供全方位一站式电子元件供应链采购方案,包括但不仅限于电子元件紧急物料搜寻,电子元件齐套供应、电子元件降低成本的长期供应,库存寄售等一系列供应链解决方案。优势供应各类电子组件.
==================
深圳市烨弘轩电子有限公司 重点客户遍布中国内地 港 澳 台地区,另外欧美发达国家以及 一代一路沿线发展中国家我司也有大量长期合作的优质客户。
==================
深圳市烨弘轩电子有限公司 为一般纳税人 可开具17%增值税票 有合作基础可申请月结,延长账期等多种供货付款方式。
==================
公司经营目标:整合全球资源全 芯 全意为您服务。
公司服务宗旨:客户虐我千百遍,我待客户如初恋。
==================
主营 : 主动电子元器件 集成电路 IC 芯片 (AD TI MAX NXP ST LT XILINX ALTERA)等。
==================
联系方式: 您可以通过下面任意一种方式 联系到我们
企业网站:www.yhx-group.com
shype: pretying
阿里旺旺:cd_prety
微信号:yihuazhu666
销售经理:朱宜华 深圳市烨弘轩电子有限公司 深圳市福田区上步工业区204栋5楼东座516室
电话: 0755-82548684 多线
传真: 0755-82523504
手机: 13410068358
QQ : 746277983 1520285168
微信号: yihuazhu666
邮箱: zyh1818118@126.com
==================
烨弘轩电子郑重承诺:
我司所售物料 可提供样品 批量 方案 技术资料 技术支持。所有物料都是 原厂原包原标原装,每一片都来自正规渠道,每一片都可追溯。










