烨弘轩电子最新到货 有最新批号 朱生 13410068358 微信同号 可提供样品 批量 方案 技术资料 技术支持 竭诚为您提供优质服务。需要查询更多产品 www.yhx-group.com 。
BM63767S-VC BM63364S-VA BM63764S-VA 有现货 可添加我们联系方式获取最优惠价格
原厂原包原标原装每一片都来自正规渠道每一片都可追溯
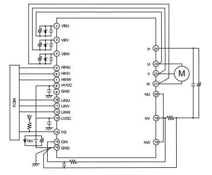
ROHM IGBT Intelligent Power Modules (IPMs) are composed of gate drivers, bootstrap diodes, IGBTs, and flywheel diodes. These IPMs are 600V/30A IGBTs optimized for both high-speed and low-speed switching drive. Ideal operating temperature ranges from -25ºC to 100ºC. The IGBT IPMs feature 3-phase DC/AC inverter, low side IGBT open-emitter, high side IGBT gate driver, low side IGBT gate driver, and fault signal. Typical applications include low-speed and high-speed switching drive.
Features
3-phase DC/AC inverter
600V/30A
Low side IGBT open-emitter
Built-in bootstrap diode
High side IGBT gate driver
Silicon on Insulator (SOI) process
Drive circuit
High-voltage level shifting
Current limit for bootstrap diode
Control supply Under-Voltage Locked Out (UVLO)
Low side IGBT gate driver
Drive circuit
Short circuit Current Protection (SCP)
Control supply UVLO
Thermal Shutdown (TSD)
Fault signal
Input interface 3.3V and 5V line
Applications
High-speed switching drive of motor
Washing machine
Fan
Low-speed switching drive of motor
Air conditioner
Refrigerator
Key Specifications
1.5V typical IGBT Collector-Emitter Voltage (VCESAT)
1.5V typical Forward Voltage (VF)
100ns typical reverse recovery time (trr)

同类热卖:
BM63767S-VC
BM63364S-VA
BM63764S-VA
BM63364S-VC
BM63363S-VC
BM63764S-VC
BM63763S-VC
BM63763S-VA
BM63363S-VA
制造商: ROHM Semiconductor
产品种类: 马达/运动/点火控制器和驱动器
产品: IGBT Silicon Modules
最小工作温度: - 25 C
最大工作温度: + 100 C
安装风格: Through Hole
封装 / 箱体: HSDIP-25VC
封装: Tube
商标: ROHM Semiconductor
Pd-功率耗散: 59 W
工厂包装数量: 60
零件号别名: BM63767S-VC

深圳市烨弘轩电子有限公司,我司2011年成立于中国经济特区深圳.我司专注于为全球电子企业提供优质的电子零件供应服务,竭力打造全球品牌元器件零售与批量供应中心。专业经营各类电子元器件(集成电路IC,存储芯片,分立器件,电源,无源元件,连接器,继电器,传感器,光电子,开关,保险元件,紧固件,开发工具,变压器,测试与测量等)。 我们以低成本提供全方位一站式电子元件供应链采购方案,包括但不仅限于电子元件紧急物料搜寻,电子元件齐套供应、电子元件降低成本的长期供应,库存寄售等一系列供应链解决方案。优势供应各类电子组件.
==================
深圳市烨弘轩电子有限公司 重点客户遍布中国内地 港 澳 台地区,另外欧美发达国家以及 一代一路沿线发展中国家我司也有大量长期合作的优质客户。
==================
深圳市烨弘轩电子有限公司 为一般纳税人 可开具17%增值税票 有合作基础可申请月结,延长账期等多种供货付款方式。
==================
公司经营目标:整合全球资源全 芯 全意为您服务。
公司服务宗旨:客户虐我千百遍,我待客户如初恋。
==================
主营 : 主动电子元器件 集成电路 IC 芯片 (AD TI MAX NXP ST LT XILINX ALTERA)等。
==================
联系方式: 您可以通过下面任意一种方式 联系到我们
企业网站:www.yhx-group.com
shype: pretying
阿里旺旺:cd_prety
微信号:yihuazhu666
销售经理:朱宜华 深圳市烨弘轩电子有限公司 深圳市福田区上步工业区204栋5楼东座516室
电话: 0755-82548684 多线
传真: 0755-82523504
手机: 13410068358
QQ : 746277983 1520285168
微信号: yihuazhu666
邮箱: zyh1818118@126.com
==================
烨弘轩电子郑重承诺:
我司所售物料 可提供样品 批量 方案 技术资料 技术支持。所有物料都是 原厂原包原标原装,每一片都来自正规渠道,每一片都可追溯。










