烨弘轩电子最新到货 有最新批号 朱生 13410068358 微信同号 可提供样品 批量 方案 技术资料 技术支持 竭诚为您提供优质服务。需要查询更多产品 www.yhx-group.com 。
R5115S111A-E2-YE 有现货 可添加我们联系方式获取最优惠价格
原厂原包原标原装每一片都来自正规渠道每一片都可追溯
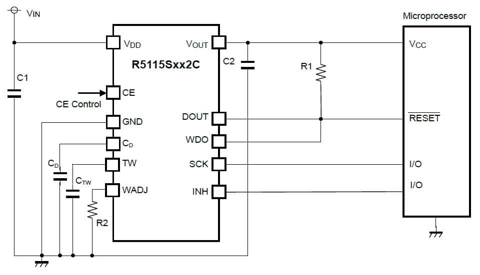
Ricoh R5115 System Power Supply ICs are ultralow power window-type watchdog timers (VR + VD + WDT). The ICs have an input voltage range of 3.5V to 42V and consists of a voltage regulator, a voltage detector and a watchdog timer. The devices are equipped with an auto monitoring stop (1) to cease the watchdog timer monitoring at light load.

Features
Input Voltage Range (Absolute Maximum Rating): 3.5V to 42.0V (50.0V)
Supply Current: Typ. 8.5μA
Protections: Thermal Shutdown, Output Current Limiting, Short-circuit Current Limiting
Output Voltage Range: 3.3V to 5.0V
Output Voltage Accuracy: ±1.6%
(-40°C ≤ Ta ≤ 125°C)
Output Current : 250mA
Detection Voltage Threshold Range:
2.5V to 4.8V

Detection Voltage Accuracy: ±1.6%
(-40°C ≤ Ta ≤ 125°C)
Watchdog Timer Accuracy: ±25%
(-40°C ≤ Ta ≤ 125°C)
Applications
Microprocessor-based Electronic Equipment for Automotive Applications
Electric Vehicle (EV) Inverters and Charge Controllers
R5115S111A-E2-YE
R5115S011A-E2-YE
R5115S012C-E2-YE
R5115S111A-E2-KE
R5115S011A-E2-KE
R5115S012C-E2-KE
R5115S111A-E2-YE 制造商: Ricoh Electronics
产品种类: 监控电路
类型: Voltage Detectors
安装风格: SMD/SMT
封装 / 箱体: HSOP-8E
阈值电压: 2.5 V
被监测输入数: 1 Input
输出类型: Active Low, Open Drain
人工复位: No Manual Reset
看门狗计时器: Watchdog
电池备用开关: No Backup
重置延迟时间: 220 ms
电源电压-最大: 42 V
最大工作温度: + 125 C
最小工作温度: - 40 C
准确性: 1.6 %
系列: R5115S
封装: Cut Tape
封装: Reel
商标: Ricoh Electronic Devices Company
过电压阈值: 2.515 V
欠电压阈值: 2.485 V
芯片启用信号: Chip Enable
工作电源电流: 8.5 uA
Pd-功率耗散: 3600 mW
功率失效检测: No
工厂包装数量: 1000
电源电压-最小: 3.5 V

深圳市烨弘轩电子有限公司,我司2011年成立于中国经济特区深圳.我司专注于为全球电子企业提供优质的电子零件供应服务,竭力打造全球品牌元器件零售与批量供应中心。专业经营各类电子元器件(集成电路IC,存储芯片,分立器件,电源,无源元件,连接器,继电器,传感器,光电子,开关,保险元件,紧固件,开发工具,变压器,测试与测量等)。 我们以低成本提供全方位一站式电子元件供应链采购方案,包括但不仅限于电子元件紧急物料搜寻,电子元件齐套供应、电子元件降低成本的长期供应,库存寄售等一系列供应链解决方案。优势供应各类电子组件.
==================
深圳市烨弘轩电子有限公司 重点客户遍布中国内地 港 澳 台地区,另外欧美发达国家以及 一代一路沿线发展中国家我司也有大量长期合作的优质客户。
==================
深圳市烨弘轩电子有限公司 为一般纳税人 可开具17%增值税票 有合作基础可申请月结,延长账期等多种供货付款方式。
==================
公司经营目标:整合全球资源全 芯 全意为您服务。
公司服务宗旨:客户虐我千百遍,我待客户如初恋。
==================
主营 : 主动电子元器件 集成电路 IC 芯片 (AD TI MAX NXP ST LT XILINX ALTERA)等。
==================
联系方式: 您可以通过下面任意一种方式 联系到我们
企业网站:www.yhx-group.com
shype: pretying
阿里旺旺:cd_prety
微信号:yihuazhu666
销售经理:朱宜华 深圳市烨弘轩电子有限公司 深圳市福田区上步工业区204栋5楼东座516室
电话: 0755-82548684 多线
传真: 0755-82523504
手机: 13410068358
QQ : 746277983 1520285168
微信号: yihuazhu666
邮箱: zyh1818118@126.com
==================
烨弘轩电子郑重承诺:
我司所售物料 可提供样品 批量 方案 技术资料 技术支持。所有物料都是 原厂原包原标原装,每一片都来自正规渠道,每一片都可追溯。










