烨弘轩电子最新到货 有最新批号 朱生 13410068358 微信同号 可提供样品 批量 方案 技术资料 技术支持 竭诚为您提供优质服务。需要查询更多产品 www.yhx-group.com 。
TUSB212RWBR TUSB212IRWBT 有现货 可添加我们联系方式获取最优惠价格
原厂原包原标原装每一片都来自正规渠道每一片都可追溯
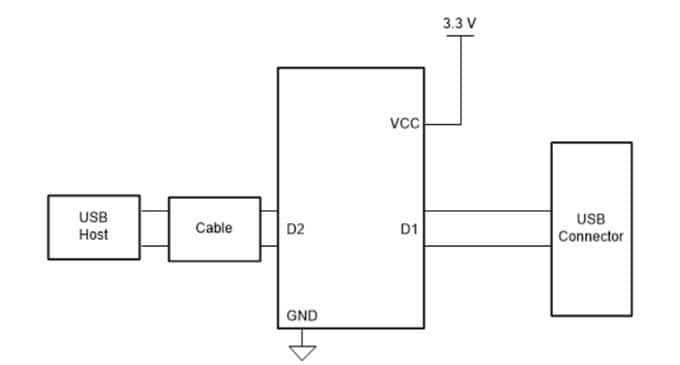
Texas Instruments TUSB212/Q1 USB 2.0高速信号调节器设计用于补偿传输通道中的ISI信号损失。该器件采用对低速 (LS) 和全速 (FS) 信号无感知的设计,该设计正在申请专利。LS和FS信号特征不受TUSB212/Q1的影响,但该器件会对HS信号进行补偿。
通过可编程的信号交流升压和直流升压来精调器件性能,从而对连接器上的高速信号进行优化,进而有助于通过USB高速电气合规性测试。另外,TUSB212/Q1还符合USB On-The-Go (OTG) 和电池充电 (BC) 协议。
兼容USB 2.0、OTG 2.0和BC 1.2
引脚搭接或I2C可配置
支持LS、FS、HS信号传输
借助菊花链器件实现可选的信号增益,适用于高损耗应用
超低的USB断开和关断功耗
支持长达5m的前置通道电缆长度或长达2m的后置通道电缆长度
通过外部下拉电阻实现四种可选的交流升压设置
通过直流升压以及交流升压实现最佳的信号完整性

TUSB212IRWBT制造商: Texas Instruments
产品种类: USB 接口集成电路
RoHS: 详细信息
安装风格: SMD/SMT
封装 / 箱体: X2QFN-12
系列: TUSB212
产品: USB Signal Conditioners
类型: Redriver
标准: USB 2.0
速度: High Speed
数据速率: 480 Mb/s
电源电压-最小: 3 V
电源电压-最大: 3.6 V
工作电源电流: 22 mA
最小工作温度: - 40 C
最大工作温度: + 85 C
封装: Cut Tape
封装: MouseReel
封装: Reel
商标: Texas Instruments
接口类型: I2C
端口数量: 2 Port
湿度敏感性: Yes
工作电源电压: 3.3 V
产品类型: USB Interface IC
工厂包装数量: 3000
子类别: Interface ICs
新品到货
TUSB212RWBR
TUSB212IRWBT
TUSB212QRWBTQ1
TUSB212RWBT
TUSB212QRWBRQ1
TUSB212IRWBR
深圳市烨弘轩电子有限公司,我司2011年成立于中国经济特区深圳.我司专注于为全球电子企业提供优质的电子零件供应服务,竭力打造全球品牌元器件零售与批量供应中心。专业经营各类电子元器件(集成电路IC,存储芯片,分立器件,电源,无源元件,连接器,继电器,传感器,光电子,开关,保险元件,紧固件,开发工具,变压器,测试与测量等)。 我们以低成本提供全方位一站式电子元件供应链采购方案,包括但不仅限于电子元件紧急物料搜寻,电子元件齐套供应、电子元件降低成本的长期供应,库存寄售等一系列供应链解决方案。优势供应各类电子组件.
==================
深圳市烨弘轩电子有限公司 重点客户遍布中国内地 港 澳 台地区,另外欧美发达国家以及 一代一路沿线发展中国家我司也有大量长期合作的优质客户。
==================
深圳市烨弘轩电子有限公司 为一般纳税人 可开具17%增值税票 有合作基础可申请月结,延长账期等多种供货付款方式。
==================
公司经营目标:整合全球资源全 芯 全意为您服务。
公司服务宗旨:客户虐我千百遍,我待客户如初恋。
==================
主营 : 主动电子元器件 集成电路 IC 芯片 (AD TI MAX NXP ST LT XILINX ALTERA)等。
==================
联系方式: 您可以通过下面任意一种方式 联系到我们
企业网站:www.yhx-group.com
shype: pretying
阿里旺旺:cd_prety
微信号:yihuazhu666
销售经理:朱宜华 深圳市烨弘轩电子有限公司 深圳市福田区上步工业区204栋5楼东座516室
电话: 0755-82548684 多线
传真: 0755-82523504
手机: 13410068358
QQ : 746277983 1520285168
微信号: yihuazhu666
邮箱: zyh1818118@126.com
==================
烨弘轩电子郑重承诺:
我司所售物料 可提供样品 批量 方案 技术资料 技术支持。所有物料都是 原厂原包原标原装,每一片都来自正规渠道,每一片都可追溯。










