烨弘轩电子最新到货 有最新批号 朱生 13410068358 微信同号 可提供样品 批量 方案 技术资料 技术支持 竭诚为您提供优质服务。需要查询更多产品 www.yhx-group.com 。
HMC985ALP4KE有现货 可添加我们联系方式获取最优惠价格
原厂原包原标原装每一片都来自正规渠道每一片都可追溯
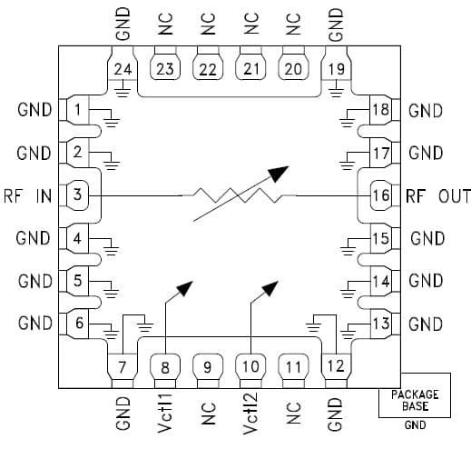
Analog Devices HMC985A衰减器属于吸收式GaAs MMIC电压可变衰减器 (VVA),能够在10GHz-50GHz频率范围内工作。该衰减器非常适合用于由模拟直流控制信号在35dB-40dB动态范围内控制射频信号电平的应用。
HMC985A包括两个分流型衰减器,分别由Vctl1和Vctl2两个模拟电压控制。将首个衰减阶段的Vctl1从-5V调整至0V,Vctl2固定为-5V,可以在+32dB输入IP3时实现出色的线性性能。连接Vctrl1和Vctrl2引脚使衰减器仅需稍微降低输入IP3性能便可实现全模拟衰减范围。

宽带宽:
10GHz - 40GHz (HMC985ALP4KE)
20GHz - 50GHz (HMC985A)
出色的线性度:+32dB输入IP3
宽衰减范围:35 dB
无外部匹配
封装尺寸:
24引脚4x4mm SMT封装:16mm² (HMC985ALP4KE)
裸片尺寸:2.78 x 1.41 x 0.1mm (HMC985A)

HMC985ALP4KE制造商: Analog Devices Inc.
产品种类: 衰减器
RoHS: 详细信息
封装 / 箱体: QFN-24
最大衰减: 42 dB
最大频率: 40 GHz
通道数量: 1 Channel
阻抗: 50 Ohms
最小工作温度: - 40 C
最大工作温度: + 85 C
系列: HMC985A
技术: GaAs
类型: Variable Attenuator
商标: Analog Devices
介入损耗: 4 dB
安装风格: SMD/SMT
最小频率: 10 GHz
湿度敏感性: Yes
工作电源电压: - 5 V to 0 V
产品类型: Attenuators
工厂包装数量: 50
子类别: Wireless & RF Integrated Circuits
HMC985ALP4KE
HMC985A
HMC985A-SX
HMC985ALP4KETR

深圳市烨弘轩电子有限公司,我司2011年成立于中国经济特区深圳.我司专注于为全球电子企业提供优质的电子零件供应服务,竭力打造全球品牌元器件零售与批量供应中心。专业经营各类电子元器件(集成电路IC,存储芯片,分立器件,电源,无源元件,连接器,继电器,传感器,光电子,开关,保险元件,紧固件,开发工具,变压器,测试与测量等)。 我们以低成本提供全方位一站式电子元件供应链采购方案,包括但不仅限于电子元件紧急物料搜寻,电子元件齐套供应、电子元件降低成本的长期供应,库存寄售等一系列供应链解决方案。优势供应各类电子组件.
==================
深圳市烨弘轩电子有限公司 重点客户遍布中国内地 港 澳 台地区,另外欧美发达国家以及 一代一路沿线发展中国家我司也有大量长期合作的优质客户。
==================
深圳市烨弘轩电子有限公司 为一般纳税人 可开具17%增值税票 有合作基础可申请月结,延长账期等多种供货付款方式。
==================
公司经营目标:整合全球资源全 芯 全意为您服务。
公司服务宗旨:客户虐我千百遍,我待客户如初恋。
==================
主营 : 主动电子元器件 集成电路 IC 芯片 (AD TI MAX NXP ST LT XILINX ALTERA)等。
==================
联系方式: 您可以通过下面任意一种方式 联系到我们
企业网站:www.yhx-group.com
shype: pretying
阿里旺旺:cd_prety
微信号:yihuazhu666
销售经理:朱宜华 深圳市烨弘轩电子有限公司 深圳市福田区上步工业区204栋5楼东座516室
电话: 0755-82548684 多线
传真: 0755-82523504
手机: 13410068358
QQ : 746277983 1520285168
微信号: yihuazhu666
邮箱: zyh1818118@126.com
==================
烨弘轩电子郑重承诺:
我司所售物料 可提供样品 批量 方案 技术资料 技术支持。所有物料都是 原厂原包原标原装,每一片都来自正规渠道,每一片都可追溯。










