烨弘轩电子最新到货 有最新批号 朱生 13410068358 微信同号 可提供样品 批量 方案 技术资料 技术支持 竭诚为您提供优质服务。需要查询更多产品 www.yhx-group.com 。
MCP73871T-1AAI/ML有现货 可添加我们联系方式获取最优惠价格
原厂原包原标原装每一片都来自正规渠道每一片都可追溯
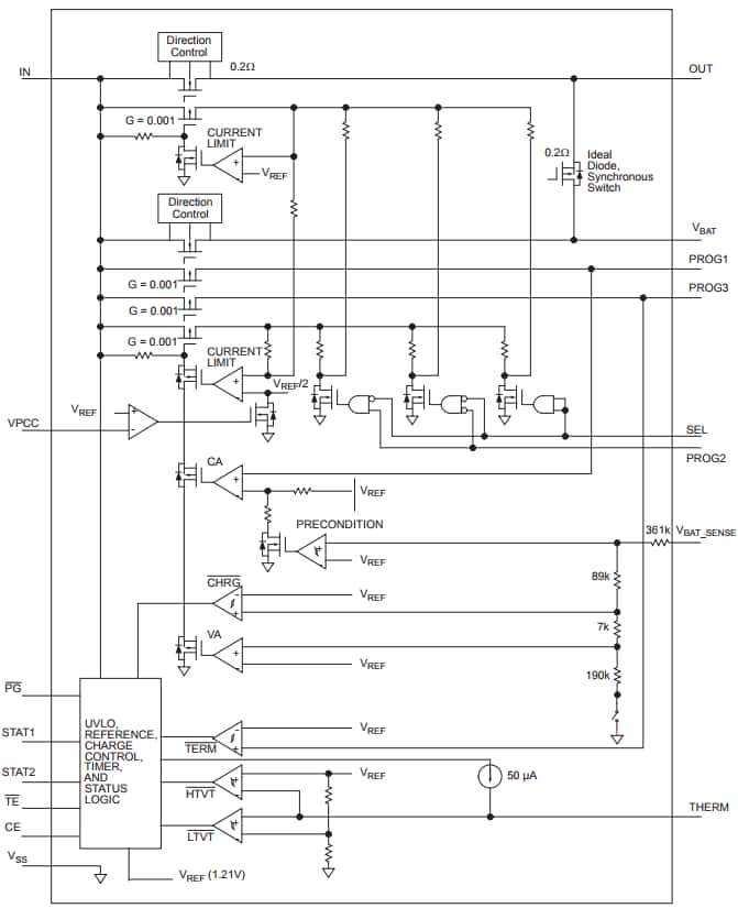
Microchip MCP73871电池充电控制器设计用于为系统负载分配和锂离子电池充电管理提供完全集成的线性解决方案。这些控制器可通过单节锂离子电池或各类输入电源(如交流-直流墙上适配器或USB端口)自动获取用于系统负载的电源。MCP73871电池充电管理控制器采用恒定电流/恒定电压 (CC/CV) 充电算法,设有可选择的充电终止点。恒定电压调节固定为4.10V、4.20V、4.35V或4.40V,以满足新兴的电池充电要求。在环境温度较高或功率较大时,MCP73871控制器可根据芯片温度限制充电电流。这些控制器具有电阻可编程终止设定点、电池温度监控器、自动充电、自动终止充电控制以及欠压闭锁 (UVLO) 等特性。典型应用包括PDA、智能手机、数码相机、蓝牙耳机、便携式医疗设备和玩具。
集成系统负载分配和电池充电管理
同时进行系统供电和锂离子电池充电
电压成比例电流控制 (VPCC) 可确保系统负载优先于锂离子电池充电电流
通过理想二极管运行实现低损耗电源路径管理
完整的线性充电管理控制器
集成传输晶体管
集成电流检测

集成反向放电保护
可选输入电源:USB端口或交流-直流墙上适配器
预设高精度充电电压选项
4.10V、4.20V、4.35V或4.40V
±0.5%调节容差
CC/CV运行,具有热调节功能
总输入电流控制:1.8A(最大值)
电阻可编程快速充电电流:50mA至1A
电阻可编程终止设定点
自动充电
可选的USB输入电流控制
自动终止充电控制
带计时器启用/禁用控制的安全计时器
对深度耗尽电池进行0.1C预充
电池温度监控器
欠压闭锁 (UVLO)
低电量状态指示灯 (LBO)
电源良好状态指示灯 (PG)
充电状态和故障状态指示灯
工作温度范围:-40ºC至85ºC
应用
全球定位系统 (GPS)/导航仪
PDA和智能手机
便携式媒体播放器和MP3播放器
数码相机
蓝牙耳机
便携式医疗设备
充电座/扩展坞
玩具

MCP73871T-1AAI/ML制造商: Microchip
产品种类: 电池管理
产品: Charge Management
电池类型: Li-Ion, Li-Polymer
输出电压: 4.1 V
输出电流: 10 mA
工作电源电压: 4.4 V to 6 V
工作电源电流: 2.5 mA
最小工作温度: - 40 C
最大工作温度: + 85 C
封装 / 箱体: QFN-20
封装: Cut Tape
封装: Reel
商标: Microchip Technology
安装风格: SMD/SMT
开发套件: MCP73871EV, MCP73871DM-VPCC
产品类型: Battery Management
工厂包装数量: 3300
子类别: PMIC - Power Management ICs
MCP73871T-1AAI/ML
MCP73871-4CCI/ML
MCP73871-1CCI/ML
MCP73871-1AAI/ML
MCP73871-1CAI/ML
MCP73871-4CAI/ML
MCP73871-2AAI/ML
MCP73871-2CAI/ML
MCP73871-3CCI/ML
MCP73871-3CAI/ML
MCP73871-2CCI/ML
MCP73871T-2CCI/ML
MCP73871T-1CCI/ML
MCP73871T-4CAI/ML
MCP73871T-1CAI/ML
MCP73871T-3CAI/ML
MCP73871T-2AAI/ML
MCP73871T-2CAI/ML
MCP73871T-4CCI/ML
MCP73871T-3CCI/ML

深圳市烨弘轩电子有限公司,我司2011年成立于中国经济特区深圳.我司专注于为全球电子企业提供优质的电子零件供应服务,竭力打造全球品牌元器件零售与批量供应中心。专业经营各类电子元器件(集成电路IC,存储芯片,分立器件,电源,无源元件,连接器,继电器,传感器,光电子,开关,保险元件,紧固件,开发工具,变压器,测试与测量等)。 我们以低成本提供全方位一站式电子元件供应链采购方案,包括但不仅限于电子元件紧急物料搜寻,电子元件齐套供应、电子元件降低成本的长期供应,库存寄售等一系列供应链解决方案。优势供应各类电子组件.
==================
深圳市烨弘轩电子有限公司 重点客户遍布中国内地 港 澳 台地区,另外欧美发达国家以及 一代一路沿线发展中国家我司也有大量长期合作的优质客户。
==================
深圳市烨弘轩电子有限公司 为一般纳税人 可开具17%增值税票 有合作基础可申请月结,延长账期等多种供货付款方式。
==================
公司经营目标:整合全球资源全 芯 全意为您服务。
公司服务宗旨:客户虐我千百遍,我待客户如初恋。
==================
主营 : 主动电子元器件 集成电路 IC 芯片 (AD TI MAX NXP ST LT XILINX ALTERA)等。
==================
联系方式: 您可以通过下面任意一种方式 联系到我们
企业网站:www.yhx-group.com
shype: pretying
阿里旺旺:cd_prety
微信号:yihuazhu666
销售经理:朱宜华 深圳市烨弘轩电子有限公司 深圳市福田区上步工业区204栋5楼东座516室
电话: 0755-82548684 多线
传真: 0755-82523504
手机: 13410068358
QQ : 746277983 1520285168
微信号: yihuazhu666
邮箱: zyh1818118@126.com
==================
烨弘轩电子郑重承诺:
我司所售物料 可提供样品 批量 方案 技术资料 技术支持。所有物料都是 原厂原包原标原装,每一片都来自正规渠道,每一片都可追溯。










