烨弘轩电子最新到货 有最新批号 朱生 13410068358 微信同号 可提供样品 批量 方案 技术资料 技术支持 竭诚为您提供优质服务。需要查询更多产品 www.yhx-group.com 。
有现货 可添加我们联系方式获取最优惠价格
原厂原包原标原装每一片都来自正规渠道每一片都可追溯
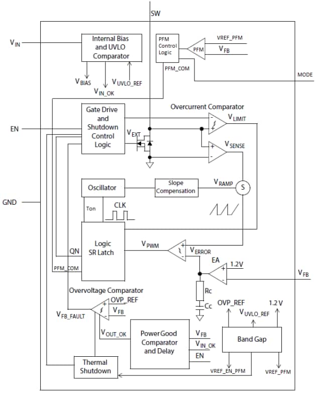
Microchip MCP1665 PFM/PWM升压转换器设计用于为电池供电型应用提供节省空间的高电压升压电源解决方案。MCP1665转换器具有36V、100mΩ集成开关、受控启动电压、内部补偿、可调输出电压以及脉冲频率调制/脉冲宽度调制 (PFM/PWM)模式。该转换器具有欠压闭锁 (UVLO) 功能,可避免电池供电型应用在具有低输入或放电电池的情况下启动和运行。借助典型的3.6A逐周期电感峰值电流限制操作,可为集成开关提供保护。

当反馈电阻意外断开时,输出过压保护和开路负载保护将会通过使反馈引脚短路来关闭开关。借助MCP1665升压转换器,可以在较小的PCB面积内创建典型升压、单端初级电感转换器 (SEPIC) 或反激式直流-直流转换器。MCP1665转换器适合用于便携式应用的LCD偏置电源、相机手机闪光灯、单节锂离子电池至5V、12V或24V转换器、手电筒以及照明应用。
特性
36V、100mΩ集成开关
效率高达92%
输出电压高达32V
输入电压范围:2.9V至5V
1.2VFB反馈电压参考
浪涌电流限制和内部软启动
逐周期限流
内部补偿
输出过压保护 (OVP) 和开路负载保护 (OLP),用于恒定电流配置
热关断
可轻松配置为单端初级电感转换器 (SEPIC) 或反激式拓扑
应用
由3节碱性电池、锂电池和镍氢/镍镉电池供电的便携式产品
单节锂离子电池至5V、12V或24V转换器
用于便携式应用的LCD偏置电源
相机手机闪光灯
手电筒
电池供电型LED
照明应用
便携式医疗设备
手持仪器

MCP1665T-E/MRA制造商: Microchip
产品种类: 开关稳压器
RoHS: 详细信息
安装风格: SMD/SMT
封装 / 箱体: VQFN-10
输出电压: 32 V
输出电流: 1000 mA
输出端数量: 1 Output
最大输入电压: 5 V
拓扑结构: Boost
最小输入电压: 2.7 V
开关频率: 500 kHz
最小工作温度: - 40 C
最大工作温度: + 125 C
封装: Cut Tape
封装: Reel
输入电压: 2.7 V to 5 V
静态电流: 0.4 uA
类型: Integrated Switch PFM/PWM Boost Regulator
商标: Microchip Technology
关闭: Shutdown
负载调节: 0.2 %
工作电源电流: 3.6 A
产品类型: Switching Voltage Regulators
工厂包装数量: 3300
子类别: PMIC - Power Management ICs
MCP1665T-E/MRA

深圳市烨弘轩电子有限公司,我司2011年成立于中国经济特区深圳.我司专注于为全球电子企业提供优质的电子零件供应服务,竭力打造全球品牌元器件零售与批量供应中心。专业经营各类电子元器件(集成电路IC,存储芯片,分立器件,电源,无源元件,连接器,继电器,传感器,光电子,开关,保险元件,紧固件,开发工具,变压器,测试与测量等)。 我们以低成本提供全方位一站式电子元件供应链采购方案,包括但不仅限于电子元件紧急物料搜寻,电子元件齐套供应、电子元件降低成本的长期供应,库存寄售等一系列供应链解决方案。优势供应各类电子组件.
==================
深圳市烨弘轩电子有限公司 重点客户遍布中国内地 港 澳 台地区,另外欧美发达国家以及 一代一路沿线发展中国家我司也有大量长期合作的优质客户。
==================
深圳市烨弘轩电子有限公司 为一般纳税人 可开具17%增值税票 有合作基础可申请月结,延长账期等多种供货付款方式。
==================
公司经营目标:整合全球资源全 芯 全意为您服务。
公司服务宗旨:客户虐我千百遍,我待客户如初恋。
==================
主营 : 主动电子元器件 集成电路 IC 芯片 (AD TI MAX NXP ST LT XILINX ALTERA)等。
==================
联系方式: 您可以通过下面任意一种方式 联系到我们
企业网站:www.yhx-group.com
shype: pretying
阿里旺旺:cd_prety
微信号:yihuazhu666
销售经理:朱宜华 深圳市烨弘轩电子有限公司 深圳市福田区上步工业区204栋5楼东座516室
电话: 0755-82548684 多线
传真: 0755-82523504
手机: 13410068358
QQ : 746277983 1520285168
微信号: yihuazhu666
邮箱: zyh1818118@126.com
==================
烨弘轩电子郑重承诺:
我司所售物料 可提供样品 批量 方案 技术资料 技术支持。所有物料都是 原厂原包原标原装,每一片都来自正规渠道,每一片都可追溯。










