烨弘轩电子最新到货 有最新批号 朱生 13410068358 微信同号 可提供样品 批量 方案 技术资料 技术支持 竭诚为您提供优质服务。需要查询更多产品 www.yhx-group.com 。
ISL8274MAIRZ有现货 可添加我们联系方式获取最优惠价格
原厂原包原标原装每一片都来自正规渠道每一片都可追溯

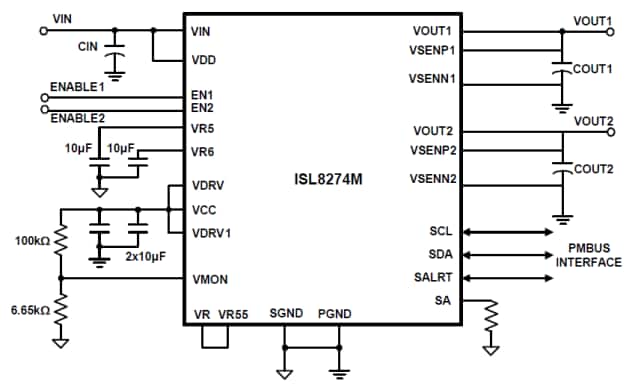
Renesas/Intersil ISL8274M双通道降压电源模块是一款完整的数字PMBus直流-直流降压高级电源。ISL8274M电源模块包含所有功率元件和大多数无源元件,仅需极少外部元件即可工作。使用一系列可选的外部电阻器,设计人员可将该电源模块配置为标准操作。借助ISL8274M的PMBus接口,设计人员可以设置高级配置。高级配置包括排序和故障管理,以及实时、全面的遥测和负载点监测。ISL8274M电源模块设有非易失性存储器,可存储自定义配置和设置。
ISL8274M优化用于高功率密度应用,可提供高达30A的电流(每通道)。ISL8274M的输入电压范围为4.5V至14V,可提供低至0.6V的可调输出电压,并实现高达95.5%的转换效率。这种完全可定制的电压、电流和温度保护方案可确保该器件即使在异常情况下也能安全运行。
凭借其ChargeMode™控制架构,ISL8274M可为输出负载阶跃提供单时钟周期响应,并支持高达1.06MHz的开关频率。另外,ISL8274M双通道降压电源模块由PowerNavigator™软件提供支持,该软件提供完整的数字动力传动系统开发环境。

特性
完整的数字电源
30A/30A双通道输出电流
4.5V至14V单轨输入电压
效率高达95.5%
可编程输出电压
0.6V至5V输出电压设置
在线路/负载/温度范围内的精度为±1.2%
ChargeMode控制环路架构
296kHz至1.06MHz固定开关频率操作
无需补偿
快速的单时钟周期瞬态响应
PMBus接口和/或引脚搭接模式
通过PMBus完全可编程
用于标准设置的引脚搭接模式
针对VIN、VOUT、IOUT、温度、占空比和fSW的实时遥测
先进的软启动/停止、排序和跟踪
内部非易失性存储器
完整的过压/欠压、电流和温度保护(带故障记录功能)
PowerNavigator支持
热增强型18mmx23mmx7.5mm HDA封装
应用
服务器、电信、存储和数据通信
工业/ATE和网络设备
用于ASIC、FPGA、DSP和存储器的通用电源

ISL8274MAIRZ制造商: Renesas Electronics
产品种类: 专业电源管理 (PMIC)
输出电流: 30 A
最小工作温度: - 40 C
最大工作温度: + 85 C
系列: ISL8274M
商标: Renesas / Intersil
湿度敏感性: Yes
产品类型: Power Management Specialized - PMIC
工厂包装数量: 50
子类别: PMIC - Power Management ICs
单位重量: 10.397 g
ISL8274MAIRZ
深圳市烨弘轩电子有限公司,我司2011年成立于中国经济特区深圳.我司专注于为全球电子企业提供优质的电子零件供应服务,竭力打造全球品牌元器件零售与批量供应中心。专业经营各类电子元器件(集成电路IC,存储芯片,分立器件,电源,无源元件,连接器,继电器,传感器,光电子,开关,保险元件,紧固件,开发工具,变压器,测试与测量等)。 我们以低成本提供全方位一站式电子元件供应链采购方案,包括但不仅限于电子元件紧急物料搜寻,电子元件齐套供应、电子元件降低成本的长期供应,库存寄售等一系列供应链解决方案。优势供应各类电子组件.
==================
深圳市烨弘轩电子有限公司 重点客户遍布中国内地 港 澳 台地区,另外欧美发达国家以及 一代一路沿线发展中国家我司也有大量长期合作的优质客户。
==================
深圳市烨弘轩电子有限公司 为一般纳税人 可开具17%增值税票 有合作基础可申请月结,延长账期等多种供货付款方式。
==================
公司经营目标:整合全球资源全 芯 全意为您服务。
公司服务宗旨:客户虐我千百遍,我待客户如初恋。
==================
主营 : 主动电子元器件 集成电路 IC 芯片 (AD TI MAX NXP ST LT XILINX ALTERA)等。
==================
联系方式: 您可以通过下面任意一种方式 联系到我们
企业网站:www.yhx-group.com
shype: pretying
阿里旺旺:cd_prety
微信号:yihuazhu666
销售经理:朱宜华 深圳市烨弘轩电子有限公司 深圳市福田区上步工业区204栋5楼东座516室
电话: 0755-82548684 多线
传真: 0755-82523504
手机: 13410068358
QQ : 746277983 1520285168
微信号: yihuazhu666
邮箱: zyh1818118@126.com
==================
烨弘轩电子郑重承诺:
我司所售物料 可提供样品 批量 方案 技术资料 技术支持。所有物料都是 原厂原包原标原装,每一片都来自正规渠道,每一片都可追溯。










