烨弘轩电子最新到货 有最新批号 朱生 13410068358 微信同号 可提供样品 批量 方案 技术资料 技术支持 竭诚为您提供优质服务。需要查询更多产品 www.yhx-group.com 。
MIKROE-2830有现货 可添加我们联系方式获取最优惠价格
原厂原包原标原装每一片都来自正规渠道每一片都可追溯
MikroElektronika
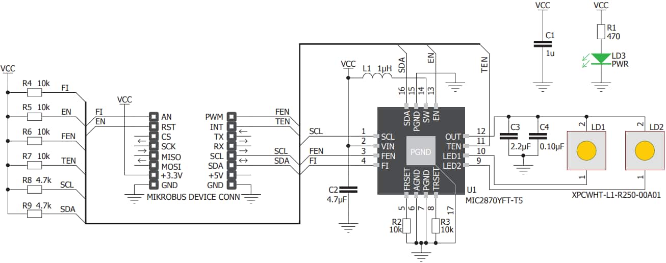
LED闪光灯2 Click Board™是一款高效率闪光灯LED驱动器,优化用于驱动一或两个高亮度相机闪光灯LED。MIC2870 IC是一款升压型闪光灯LED驱动器,可以驱动一个高亮度LED(电流高达1.5A)或两个高亮度LED(电流均高达750mA)。该款LED闪光灯2 click板具有两种工作模式,分别是手电筒模式和闪光灯模式。在手电筒模式下,该click板会变为简单的手持式手电筒;而在闪光灯模式下,可将LED用作相机闪光灯。在闪光灯模式下,可最大限度地增加通过单个LED通道的电流,并由连接至MIC2870 IC的FRSET输入的电阻器设定。在手电筒模式下,将10k电阻器连接至TRSET时,可将电流设置为比在闪光灯模式下低的值。LED闪光灯2 click板非常适合用于小型相机闪光灯、手机手电筒、信号灯、自行车灯以及汽车尾灯
特性
两个高亮度相机闪光灯LED
两种工作模式:
手电筒模式
闪光灯模式
MIC2870同步升压型闪光灯LED驱动器
两个XPCWHT-L1-R250高亮度LED
闪光灯安全超时
短路和开路检测
超快I2C接口
应用
手持式设备:
小型相机闪光灯
手机手电筒
信号灯
自行车灯
汽车尾灯

MIKROE-2830制造商: MikroElektronika
产品种类: LED 照明开发工具
产品: Evaluation Boards
用于: MIC2870
工作电源电压: 3.3 V
商标: MikroElektronika
产品类型: LED Lighting Development Tools
工厂包装数量: 1
子类别: Development Tools
商标名: mikroBUS
MIKROE-2830

深圳市烨弘轩电子有限公司,我司2011年成立于中国经济特区深圳.我司专注于为全球电子企业提供优质的电子零件供应服务,竭力打造全球品牌元器件零售与批量供应中心。专业经营各类电子元器件(集成电路IC,存储芯片,分立器件,电源,无源元件,连接器,继电器,传感器,光电子,开关,保险元件,紧固件,开发工具,变压器,测试与测量等)。 我们以低成本提供全方位一站式电子元件供应链采购方案,包括但不仅限于电子元件紧急物料搜寻,电子元件齐套供应、电子元件降低成本的长期供应,库存寄售等一系列供应链解决方案。优势供应各类电子组件.
==================
深圳市烨弘轩电子有限公司 重点客户遍布中国内地 港 澳 台地区,另外欧美发达国家以及 一代一路沿线发展中国家我司也有大量长期合作的优质客户。
==================
深圳市烨弘轩电子有限公司 为一般纳税人 可开具17%增值税票 有合作基础可申请月结,延长账期等多种供货付款方式。
==================
公司经营目标:整合全球资源全 芯 全意为您服务。
公司服务宗旨:客户虐我千百遍,我待客户如初恋。
==================
主营 : 主动电子元器件 集成电路 IC 芯片 (AD TI MAX NXP ST LT XILINX ALTERA)等。
==================
联系方式: 您可以通过下面任意一种方式 联系到我们
企业网站:www.yhx-group.com
shype: pretying
阿里旺旺:cd_prety
微信号:yihuazhu666
销售经理:朱宜华 深圳市烨弘轩电子有限公司 深圳市福田区上步工业区204栋5楼东座516室
电话: 0755-82548684 多线
传真: 0755-82523504
手机: 13410068358
QQ : 746277983 1520285168
微信号: yihuazhu666
邮箱: zyh1818118@126.com
==================
烨弘轩电子郑重承诺:
我司所售物料 可提供样品 批量 方案 技术资料 技术支持。所有物料都是 原厂原包原标原装,每一片都来自正规渠道,每一片都可追溯。










