烨弘轩电子最新到货 有最新批号 朱生 13410068358 微信同号 可提供样品 批量 方案 技术资料 技术支持 竭诚为您提供优质服务。需要查询更多产品 www.yhx-group.com 。
MIKROE-2826有现货 可添加我们联系方式获取最优惠价格
原厂原包原标原装每一片都来自正规渠道每一片都可追溯

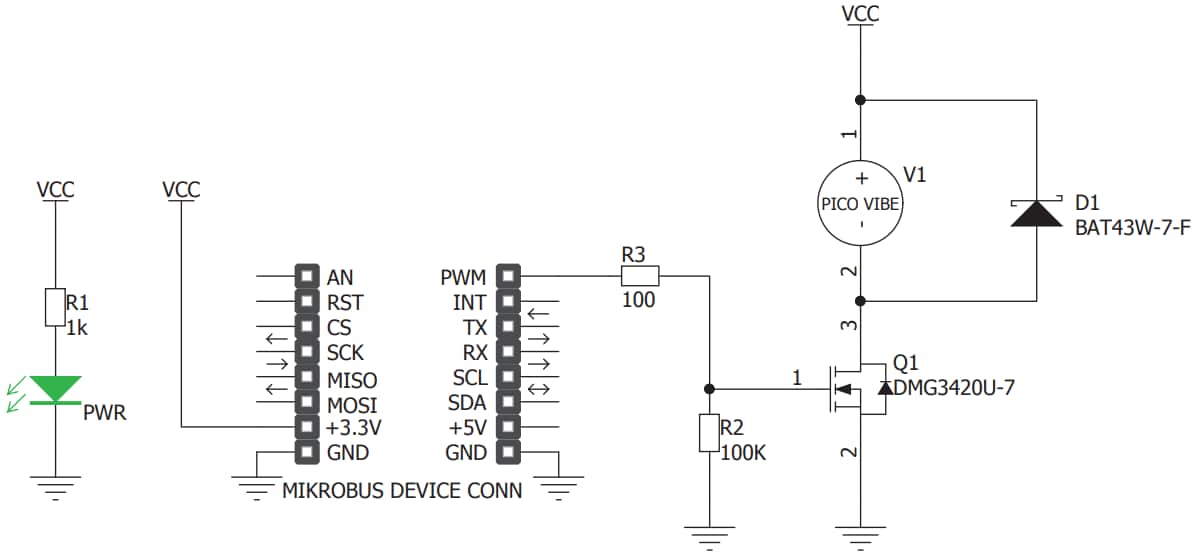
MikroElektronika振动电机Click Board™设计用于在小型手持式设备上添加简单的单引脚驱动型触觉反馈。该click板设有一个偏心旋转质量 (ERM) 电机,电机转子上包含一个小型偏心锤,可以产生振动效应。该款振动电机click板具有低功耗,结构极为紧凑。该板采用DMG3420U和小型MOSFET来驱动ERM电机,保护二极管可保护晶体管免受反向电压的损害。PWM信号可切换MOSFET的栅极,进而控制通过电机的电流,从而直接影响电机的速度。该款振动电机click板非常适合用于寻呼机、RFID扫描仪和手机等应用。特性
尺寸紧凑
低功耗
在任何设计中均可添加单引脚驱动型触觉反馈
C1026B002F偏心旋转质量 (ERM) 电机:
9000rpm ERM电机速度
DMG3420U MOSFET驱动电机
保护二极管可保护晶体管免受反向电压损害
PWM信号可驱动MOSFET
振动电机
电源LED指示灯
50dB机械噪声
工作温度范围:-20ºC至+60ºC
应用
寻呼机
RFID扫描仪
手机

MIKROE-2826制造商: MikroElektronika
产品种类: 电源管理IC开发工具
产品: Add-On Boards
类型: Motor / Motion Controllers & Drivers
工具用于评估: C1026B002F
输入电压: 3.3 V
尺寸: 42.9 mm x 25.4 mm
商标: MikroElektronika
产品类型: Power Management IC Development Tools
工厂包装数量: 1
子类别: Development Tools
商标名: mikroBUS
MIKROE-2826

深圳市烨弘轩电子有限公司,我司2011年成立于中国经济特区深圳.我司专注于为全球电子企业提供优质的电子零件供应服务,竭力打造全球品牌元器件零售与批量供应中心。专业经营各类电子元器件(集成电路IC,存储芯片,分立器件,电源,无源元件,连接器,继电器,传感器,光电子,开关,保险元件,紧固件,开发工具,变压器,测试与测量等)。 我们以低成本提供全方位一站式电子元件供应链采购方案,包括但不仅限于电子元件紧急物料搜寻,电子元件齐套供应、电子元件降低成本的长期供应,库存寄售等一系列供应链解决方案。优势供应各类电子组件.
==================
深圳市烨弘轩电子有限公司 重点客户遍布中国内地 港 澳 台地区,另外欧美发达国家以及 一代一路沿线发展中国家我司也有大量长期合作的优质客户。
==================
深圳市烨弘轩电子有限公司 为一般纳税人 可开具17%增值税票 有合作基础可申请月结,延长账期等多种供货付款方式。
==================
公司经营目标:整合全球资源全 芯 全意为您服务。
公司服务宗旨:客户虐我千百遍,我待客户如初恋。
==================
主营 : 主动电子元器件 集成电路 IC 芯片 (AD TI MAX NXP ST LT XILINX ALTERA)等。
==================
联系方式: 您可以通过下面任意一种方式 联系到我们
企业网站:www.yhx-group.com
shype: pretying
阿里旺旺:cd_prety
微信号:yihuazhu666
销售经理:朱宜华 深圳市烨弘轩电子有限公司 深圳市福田区上步工业区204栋5楼东座516室
电话: 0755-82548684 多线
传真: 0755-82523504
手机: 13410068358
QQ : 746277983 1520285168
微信号: yihuazhu666
邮箱: zyh1818118@126.com
==================
烨弘轩电子郑重承诺:
我司所售物料 可提供样品 批量 方案 技术资料 技术支持。所有物料都是 原厂原包原标原装,每一片都来自正规渠道,每一片都可追溯。










