烨弘轩电子最新到货 有最新批号 朱生 13410068358 微信同号 可提供样品 批量 方案 技术资料 技术支持 竭诚为您提供优质服务。需要查询更多产品 www.yhx-group.com 。
MAX38800HCS+有现货 可添加我们联系方式获取最优惠价格
原厂原包原标原装每一片都来自正规渠道每一片都可追溯
Maxim Integrated MAX38800和MAX38801开关稳压器是高效率器件,用于采用6.5V至14V输入电源电压的应用,需要高达9A (MAX38800) 或15A (MAX38801) 最大负载。这些器件是单芯片解决方案,可为需要快速瞬态响应的精密输出提供高效率功率。该稳压器设有各种选项,可支持各种配置。
高效率解决方案
峰值效率高达96%
满负载时的效率高达95.5%
轻负载时的效率高达94%(1A电流、DCM下)
设计灵活,可实现早期的PCB定义
与MAX38801 (15A) 和MAX38802/MAX38803 (25A) 占位尺寸兼容
高达1MHz的可编程开关频率
可编程软启动和STAT延迟时间
可编程参考电压,带外部输入选项
可编程正负OCP限制
先进的架构、保护和报告功能可保证可靠的设计
支持当前源出和吸入
模拟电流或温度报告
差分远程感测与开路检测
快速瞬态响应,采用Quick-PWM™架构
基于百分比的输出功率良好和OVP
漏极开路状态指示 (STAT) 引脚
输入欠压和过压闭锁
自适应死区时间控制
节约电路板空间
集成式升压开关
19焊球WLCSP (2.2mm x 2.8mm) 占位
采用陶瓷输入和输出电容器

MAX38800HCS+制造商: Maxim Integrated
产品种类: 开关稳压器
安装风格: SMD/SMT
封装 / 箱体: WLCSP-19
输出电压: 0.6 V to 5.5 V
输出电流: 9 A
输出端数量: 1 Output
最大输入电压: 14 V
拓扑结构: Buck
最小输入电压: 6.5 V
开关频率: 1 MHz
最小工作温度: 0 C
最大工作温度: + 125 C
系列: MAX38800
输入电压: 6.5 V to 14 V
类型: Step Down Switching Regulator
商标: Maxim Integrated
关闭: Shutdown
开发套件: MAX38800EVKIT
负载调节: 3 %
工作电源电流: 35 mA
产品类型: Switching Voltage Regulators
工厂包装数量: 10
子类别: PMIC - Power Management ICs
电源电压-最小: 6.5 V
MAX38800HCS+
MAX38801HCS+
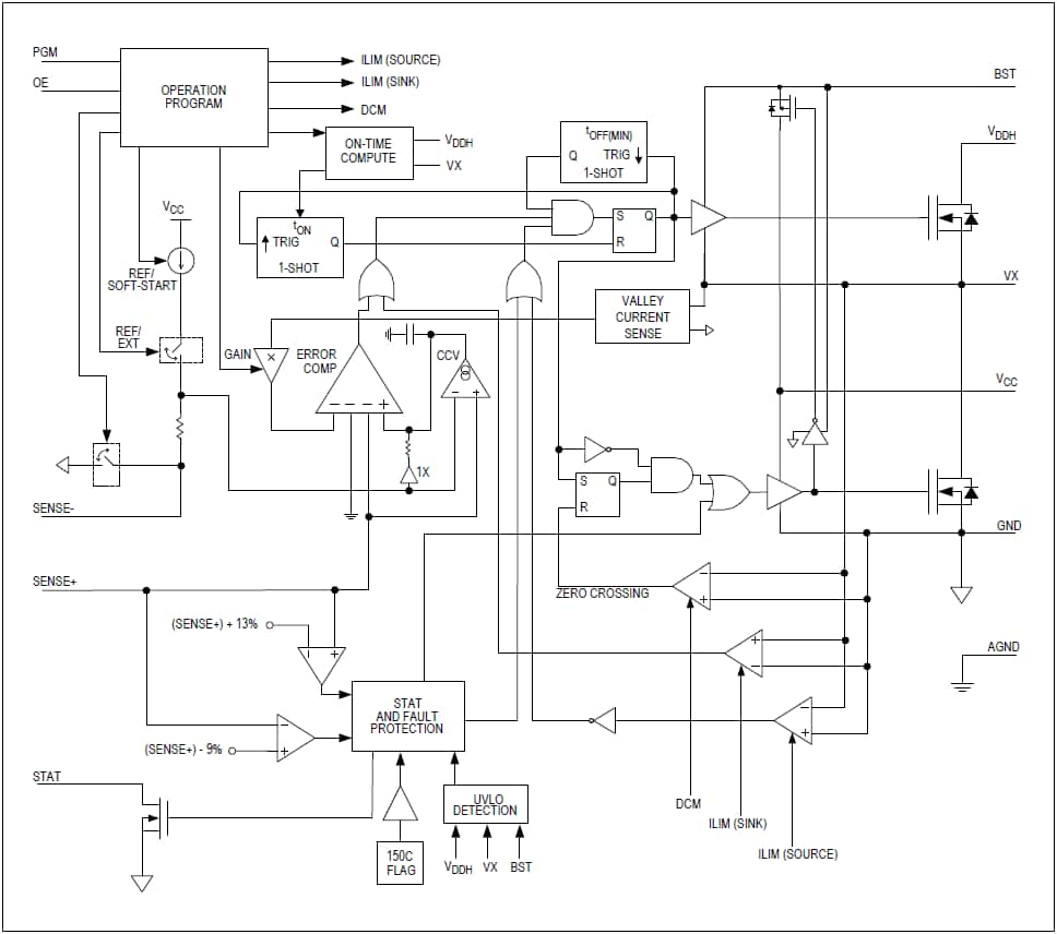
MAX38800框图
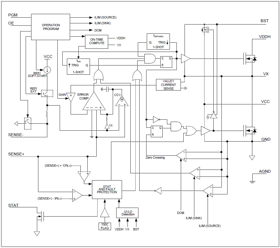
MAX38801框图

深圳市烨弘轩电子有限公司,我司2011年成立于中国经济特区深圳.我司专注于为全球电子企业提供优质的电子零件供应服务,竭力打造全球品牌元器件零售与批量供应中心。专业经营各类电子元器件(集成电路IC,存储芯片,分立器件,电源,无源元件,连接器,继电器,传感器,光电子,开关,保险元件,紧固件,开发工具,变压器,测试与测量等)。 我们以低成本提供全方位一站式电子元件供应链采购方案,包括但不仅限于电子元件紧急物料搜寻,电子元件齐套供应、电子元件降低成本的长期供应,库存寄售等一系列供应链解决方案。优势供应各类电子组件.
==================
深圳市烨弘轩电子有限公司 重点客户遍布中国内地 港 澳 台地区,另外欧美发达国家以及 一代一路沿线发展中国家我司也有大量长期合作的优质客户。
==================
深圳市烨弘轩电子有限公司 为一般纳税人 可开具17%增值税票 有合作基础可申请月结,延长账期等多种供货付款方式。
==================
公司经营目标:整合全球资源全 芯 全意为您服务。
公司服务宗旨:客户虐我千百遍,我待客户如初恋。
==================
主营 : 主动电子元器件 集成电路 IC 芯片 (AD TI MAX NXP ST LT XILINX ALTERA)等。
==================
联系方式: 您可以通过下面任意一种方式 联系到我们
企业网站:www.yhx-group.com
shype: pretying
阿里旺旺:cd_prety
微信号:yihuazhu666
销售经理:朱宜华 深圳市烨弘轩电子有限公司 深圳市福田区上步工业区204栋5楼东座516室
电话: 0755-82548684 多线
传真: 0755-82523504
手机: 13410068358
QQ : 746277983 1520285168
微信号: yihuazhu666
邮箱: zyh1818118@126.com
==================
烨弘轩电子郑重承诺:
我司所售物料 可提供样品 批量 方案 技术资料 技术支持。所有物料都是 原厂原包原标原装,每一片都来自正规渠道,每一片都可追溯。










