烨弘轩电子最新到货 有最新批号 朱生 13410068358 微信同号 可提供样品 批量 方案 技术资料 技术支持 竭诚为您提供优质服务。需要查询更多产品 www.yhx-group.com 。
有现货 可添加我们联系方式获取最优惠价格
原厂原包原标原装每一片都来自正规渠道每一片都可追溯
LTC3636 / LTC3636-1 - 双通道 6A、20V、单片式、同步降压型稳压器
特点
宽 VIN 范围:3.1V 至 20V
宽 VOUT 范围:
0.6V 至 5V (LTC3636)
1.8V 至 12V (LTC3636-1)每个通道的输出电流:6A
高效率:达 95%
芯片温度监视器
可调开关频率:500kHz 至 4MHz
外部频率同步
电流模式操作用于实现超卓的电压和负载瞬态响应
0.6V 基准可容许低输出电压
可由用户选择的突发模式 (Burst Mode®) 操作或强制连续操作
输出电压跟踪和软起动能力
短路保护
过压输入和过热保护
电源良好状态输出
外形扁平的 4mm x 5mm 28 引脚 QFN 封装
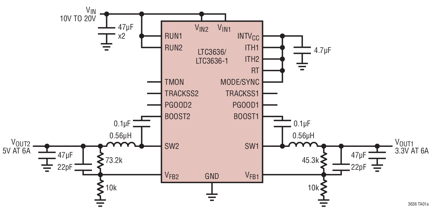
典型应用


描述
LTC®3636 / LTC3636-1 是一款高效率、双通道、单片式、同步降压型稳压器,采用一种受控的接通时间电流模式架构,并具有可锁相的开关频率。该器件的工作电源电压范围为 3.1V 至 20V,从而使其适合于锂离子电池组以及采用一个 12V 或 5V 输入的负载点电源应用。
工作频率可利用一个外部电阻器在 500kHz 至 4MHz 的范围内进行设置,并可以同步至一个外部时钟信号。高频能力允许使用小的表面贴装型电感器和电容器。这种独特的恒定频率 / 受控的接通时间架构非常适合于那些在高频条件下运作,并且要求快速瞬态响应的高降压比应用。
LTC3636 / LTC3636-1 可以选择执行强制连续模式或高效率的突发模式操作。LTC3636 和 LTC3636-1 在其输出电压检测范围方面存在差异。
应用
分布式电源系统
电池供电型仪器
负载点电源
器件型号 封装 Code 温度 封装图 RoHS 数据
LTC3636EUFD-1#PBF 4x5 QFN-28 UFD E 05-08-1538 Yes
LTC3636EUFD-1#TRPBF 4x5 QFN-28 UFD E 05-08-1538 Yes
LTC3636EUFD#PBF 4x5 QFN-28 UFD E 05-08-1538 Yes
LTC3636EUFD#TRPBF 4x5 QFN-28 UFD E 05-08-1538 Yes
LTC3636IUFD-1#PBF 4x5 QFN-28 UFD I 05-08-1538 Yes
LTC3636IUFD-1#TRPBF 4x5 QFN-28 UFD I 05-08-1538 Yes
LTC3636IUFD#PBF 4x5 QFN-28 UFD I 05-08-1538 Yes
LTC3636IUFD#TRPBF 4x5 QFN-28 UFD I 05-08-1538 Yes
深圳市烨弘轩电子有限公司,我司2011年成立于中国经济特区深圳.我司专注于为全球电子企业提供优质的电子零件供应服务,竭力打造全球品牌元器件零售与批量供应中心。专业经营各类电子元器件(集成电路IC,存储芯片,分立器件,电源,无源元件,连接器,继电器,传感器,光电子,开关,保险元件,紧固件,开发工具,变压器,测试与测量等)。 我们以低成本提供全方位一站式电子元件供应链采购方案,包括但不仅限于电子元件紧急物料搜寻,电子元件齐套供应、电子元件降低成本的长期供应,库存寄售等一系列供应链解决方案。优势供应各类电子组件.
==================
深圳市烨弘轩电子有限公司 重点客户遍布中国内地 港 澳 台地区,另外欧美发达国家以及 一代一路沿线发展中国家我司也有大量长期合作的优质客户。
==================
深圳市烨弘轩电子有限公司 为一般纳税人 可开具17%增值税票 有合作基础可申请月结,延长账期等多种供货付款方式。
==================
公司经营目标:整合全球资源全 芯 全意为您服务。
公司服务宗旨:客户虐我千百遍,我待客户如初恋。
==================
主营 : 主动电子元器件 集成电路 IC 芯片 (AD TI MAX NXP ST LT XILINX ALTERA)等。
==================
联系方式: 您可以通过下面任意一种方式 联系到我们
企业网站:www.yhx-group.com
shype: pretying
阿里旺旺:cd_prety
微信号:yihuazhu666
销售经理:朱宜华 深圳市烨弘轩电子有限公司 深圳市福田区上步工业区204栋5楼东座516室
电话: 0755-82548684 多线
传真: 0755-82523504
手机: 13410068358
QQ : 746277983 1520285168
微信号: yihuazhu666
邮箱: zyh1818118@126.com
==================
烨弘轩电子郑重承诺:
我司所售物料 可提供样品 批量 方案 技术资料 技术支持。所有物料都是 原厂原包原标原装,每一片都来自正规渠道,每一片都可追溯。










