烨弘轩电子最新到货 有最新批号 朱生 13410068358 微信同号 可提供样品 批量 方案 技术资料 技术支持 竭诚为您提供优质服务。需要查询更多产品 www.yhx-group.com 。
LT3045EDD LT3045IDD LT3045EMSE LT3045IMSE 有现货 可添加我们联系方式获取最优惠价格
原厂原包原标原装每一片都来自正规渠道每一片都可追溯
LT3045 - 20V、500mA、超低噪声、超高 PSRR 线性稳压器
特点
超低 RMS 噪声:0.8μVRMS (10Hz 至 100kHz)
超低点噪声:2nV/√Hz (在 10kHz)
超高 PSRR:76dB (在 1MHz)
输出电流:500mA
宽输入电压范围:1.8V 至 20V
单个电容器改善噪声和 PSRR
100μA SET 引脚电流:±1% 初始准确度
可由单个电阻器来设置输出电压
高带宽:1MHz
可编程电流限值
低压差电压:260mV
输出电压范围:0V 至 15V
可编程电源良好
快速启动能力
高精度使能 / UVLO
可并联多个器件以降低噪声和提供较高的电流
具折返的内部电流限制
最小输出电容器:10μF (陶瓷)
反向电池和反向电流保护
12 引脚 MSOP 封装和 10 引脚 3mm x 3mm DFN 封装
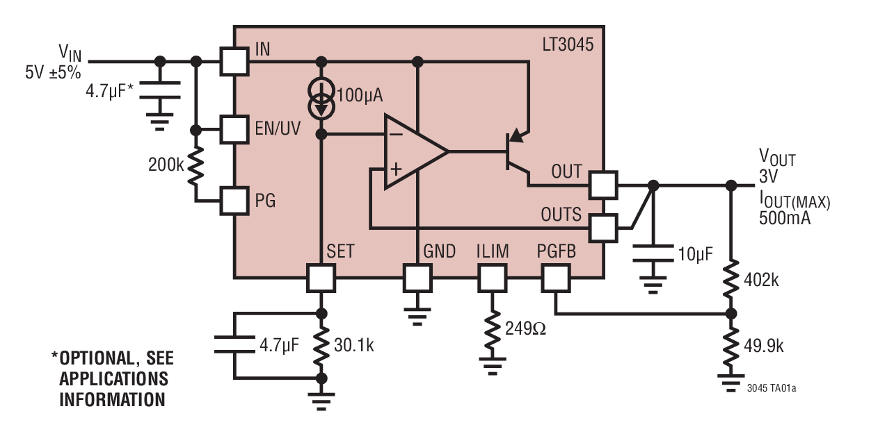
典型应用


描述
LT®3045 是一款高性能低压差线性稳压器,其采用 LTC 的超低噪声和超高 PSRR 架构以为对噪声敏感的应用供电。LT3045 被设计为后随一个高性能电压缓冲器的高精度电流基准,其可容易地通过并联以进一步降低噪声、增加输出电流和在 PCB 上散播热量。
该器件可在 260mV 典型压差电压条件下提供 500mA。工作静态电流的标称值为 2.2mA,并在停机模式中减小至 <<1μA。LT3045 的宽输出电压范围 (0V 至 15V) 及保持单位增益操作的能力可提供几乎恒定的输出噪声、PSRR、带宽和负载调整率,这与设定的输出电压无关。此外,该稳压器还拥有可编程电流限值、快速启动能力和用于指示输出电压调节的可编程电源良好。
LT3045 可在采用 10μF (最小值) 陶瓷输出电容器的情况下实现稳定。内置保护功能电路包括反向电池保护、反向电流保护以及具折返的内部电流限制和具迟滞的热限制。LT3045 采用耐热性能增强型 12 引脚 MSOP 封装和 10 引脚 3mm x 3mm DFN 封装。
应用
RF 电源:PLL、VCO、混频器、低噪声放大器 (LNA)、功率放大器 (PA)
非常低噪声仪表
高速 / 高精度数据转换器
医疗应用:成像、诊断
精准型电源
用于开关电源的后置稳压器
器件型号 封装 Code 温度 封装图 RoHS 数据
LT3045EDD#PBF 3x3 DFN-10 DD E 05-08-1699 Yes
LT3045EDD#TRPBF 3x3 DFN-10 DD E 05-08-1699 Yes
LT3045EMSE#PBF MS-12E MSE E 05-08-1666 Yes
LT3045EMSE#TRPBF MS-12E MSE E 05-08-1666 Yes
LT3045IDD#PBF 3x3 DFN-10 DD I 05-08-1699 Yes
LT3045IDD#TRPBF 3x3 DFN-10 DD I 05-08-1699 Yes
LT3045IMSE#PBF MS-12E MSE I 05-08-1666 Yes
LT3045IMSE#TRPBF MS-12E MSE I 05-08-1666 Yes
深圳市烨弘轩电子有限公司,我司2011年成立于中国经济特区深圳.我司专注于为全球电子企业提供优质的电子零件供应服务,竭力打造全球品牌元器件零售与批量供应中心。专业经营各类电子元器件(集成电路IC,存储芯片,分立器件,电源,无源元件,连接器,继电器,传感器,光电子,开关,保险元件,紧固件,开发工具,变压器,测试与测量等)。 我们以低成本提供全方位一站式电子元件供应链采购方案,包括但不仅限于电子元件紧急物料搜寻,电子元件齐套供应、电子元件降低成本的长期供应,库存寄售等一系列供应链解决方案。优势供应各类电子组件.
==================
深圳市烨弘轩电子有限公司 重点客户遍布中国内地 港 澳 台地区,另外欧美发达国家以及 一代一路沿线发展中国家我司也有大量长期合作的优质客户。
==================
深圳市烨弘轩电子有限公司 为一般纳税人 可开具17%增值税票 有合作基础可申请月结,延长账期等多种供货付款方式。
==================
公司经营目标:整合全球资源全 芯 全意为您服务。
公司服务宗旨:客户虐我千百遍,我待客户如初恋。
==================
主营 : 主动电子元器件 集成电路 IC 芯片 (AD TI MAX NXP ST LT XILINX ALTERA)等。
==================
联系方式: 您可以通过下面任意一种方式 联系到我们
企业网站:www.yhx-group.com
shype: pretying
阿里旺旺:cd_prety
微信号:yihuazhu666
销售经理:朱宜华 深圳市烨弘轩电子有限公司 深圳市福田区上步工业区204栋5楼东座516室
电话: 0755-82548684 多线
传真: 0755-82523504
手机: 13410068358
QQ : 746277983 1520285168
微信号: yihuazhu666
邮箱: zyh1818118@126.com
==================
烨弘轩电子郑重承诺:
我司所售物料 可提供样品 批量 方案 技术资料 技术支持。所有物料都是 原厂原包原标原装,每一片都来自正规渠道,每一片都可追溯。










