烨弘轩电子最新到货 有最新批号 朱生 13410068358 微信同号 可提供样品 批量 方案 技术资料 技术支持 竭诚为您提供优质服务。需要查询更多产品 www.yhx-group.com 。
LTC2876CDD LTC2876HMS8E LTC2876IMS8E 有现货 可添加我们联系方式获取最优惠价格
原厂原包原标原装每一片都来自正规渠道每一片都可追溯
LTC2876 - ±60V 坚固型 PROFIBUS RS485 收发器
特点
符合 PROFIBUS IEC 61158-2 标准
提供了至 ±60V 的过压线路故障保护
±52kV ESD (在接口引脚上),±15kV (在所有其他引脚上)
±2kV (Level 4) IEC61000-4-4 快速瞬态突发
±25V 工作共模范围
20Mbps 最大波特率
用于灵活数字接口的 1.65V 至 5.5V 逻辑电源引脚 (LTC2877)
5V 电源能够在低至 3V 的电压下工作,可适合低功率、低摆幅应用
具 240mV 迟滞的全平衡差分接收器门限用于实现上佳的噪声容限和低占空比失真
针对开路、短路和终接情况的接收器故障安全
宽工作温度范围:–40°C 至 125°C
采用小型 DFN 封装和 MSOP 封装
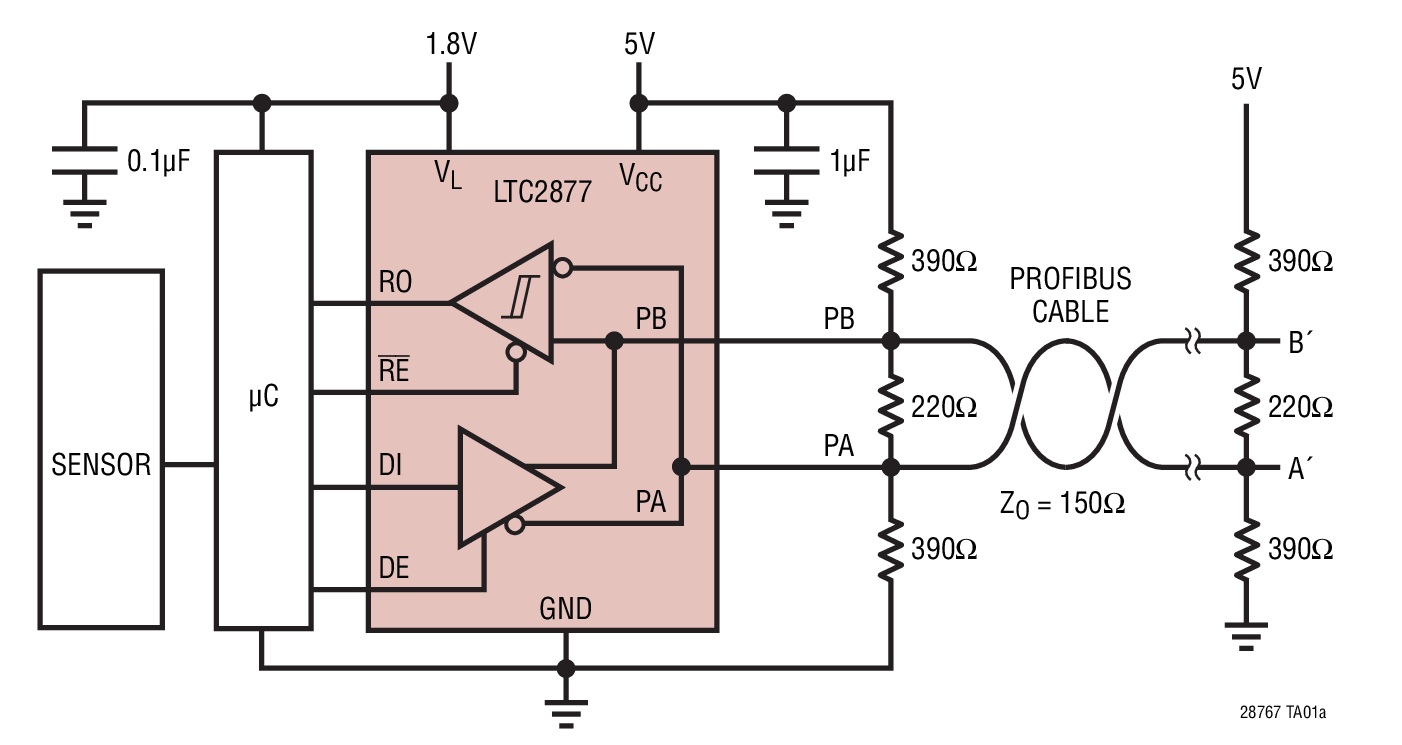
典型应用


描述
LTC®2876 和 LTC2877 是 PROFIBUS RS485 收发器,专为满足针对 PROFIBUS-DP 主控器和 PROFIBUS-DP 受控器的测试规范而设计,可全面兼容 IEEE 61158-2,Type 3:介质连接单元 (MAU)。LTC2876 / LTC2877 的工作速率高达 20Mbps,可支持高至 12Mbps 的所有 PROFIBUS 数据速率。
LTC2876 和 LTC2877 异常地坚固,在总线引脚上可耐受 ±60V 故障,并提供了至±52V 的 ESD 保护等级。这些器件适合严酷的环境或那些也许因疏忽而连接了 24V 电源的场合。±25V 的扩展输入共模范围和全面的故障安全操作改善了噪声系统中的数据通信可靠性。
LTC2876 和 LTC2877 利用一个 4.5V 至 5.5V 的电源电压满足了 PROFIBUS 和 RS485 规格,但是它们能在低至 3V 的电压条件下运作,此时的电源电流有所减小。
应用
PROFIBUS-DP
工业通信网络
RS485 和 RS422 系统
3V 低电压差分信号传输
器件型号 封装 Code 温度 封装图 RoHS 数据
LTC2876CDD#PBF 3x3 DFN-8 DD C 05-08-1698 Yes
LTC2876CDD#TRPBF 3x3 DFN-8 DD C 05-08-1698 Yes
LTC2876CMS8E#PBF MS-8E MS8E C 05-08-1662 Yes
LTC2876CMS8E#TRPBF MS-8E MS8E C 05-08-1662 Yes
LTC2876HDD#PBF 3x3 DFN-8 DD H 05-08-1698 Yes
LTC2876HDD#TRPBF 3x3 DFN-8 DD H 05-08-1698 Yes
LTC2876HMS8E#PBF MS-8E MS8E H 05-08-1662 Yes
LTC2876HMS8E#TRPBF MS-8E MS8E H 05-08-1662 Yes
LTC2876IDD#PBF 3x3 DFN-8 DD I 05-08-1698 Yes
LTC2876IDD#TRPBF 3x3 DFN-8 DD I 05-08-1698 Yes
LTC2876IMS8E#PBF MS-8E MS8E I 05-08-1662 Yes
LTC2876IMS8E#TRPBF MS-8E MS8E I 05-08-1662 Yes
深圳市烨弘轩电子有限公司,我司2011年成立于中国经济特区深圳.我司专注于为全球电子企业提供优质的电子零件供应服务,竭力打造全球品牌元器件零售与批量供应中心。专业经营各类电子元器件(集成电路IC,存储芯片,分立器件,电源,无源元件,连接器,继电器,传感器,光电子,开关,保险元件,紧固件,开发工具,变压器,测试与测量等)。 我们以低成本提供全方位一站式电子元件供应链采购方案,包括但不仅限于电子元件紧急物料搜寻,电子元件齐套供应、电子元件降低成本的长期供应,库存寄售等一系列供应链解决方案。优势供应各类电子组件.
==================
深圳市烨弘轩电子有限公司 重点客户遍布中国内地 港 澳 台地区,另外欧美发达国家以及 一代一路沿线发展中国家我司也有大量长期合作的优质客户。
==================
深圳市烨弘轩电子有限公司 为一般纳税人 可开具17%增值税票 有合作基础可申请月结,延长账期等多种供货付款方式。
==================
公司经营目标:整合全球资源全 芯 全意为您服务。
公司服务宗旨:客户虐我千百遍,我待客户如初恋。
==================
主营 : 主动电子元器件 集成电路 IC 芯片 (AD TI MAX NXP ST LT XILINX ALTERA)等。
==================
联系方式: 您可以通过下面任意一种方式 联系到我们
企业网站:www.yhx-group.com
shype: pretying
阿里旺旺:cd_prety
微信号:yihuazhu666
销售经理:朱宜华 深圳市烨弘轩电子有限公司 深圳市福田区上步工业区204栋5楼东座516室
电话: 0755-82548684 多线
传真: 0755-82523504
手机: 13410068358
QQ : 746277983 1520285168
微信号: yihuazhu666
邮箱: zyh1818118@126.com
==================
烨弘轩电子郑重承诺:
我司所售物料 可提供样品 批量 方案 技术资料 技术支持。所有物料都是 原厂原包原标原装,每一片都来自正规渠道,每一片都可追溯。










