烨弘轩电子最新到货 有最新批号 朱生 13410068358 微信同号 可提供样品 批量 方案 技术资料 技术支持 竭诚为您提供优质服务。需要查询更多产品 www.yhx-group.com 。
LTC6951IUHF-1 LTC6951IUHF 有现货 可添加我们联系方式获取最优惠价格
原厂原包原标原装每一片都来自正规渠道每一片都可追溯
LTC6951 - 具集成型 VCO 的超低抖动、多输出时钟合成器
特点
具集成型 VCO 的低噪声整数 N PLL
输出抖动:
90fs RMS (12kHz 至 20MHz)
115fs RMS (ADC SNR 方法)
噪声层 = –165dBc/Hz (在 250MHz)EZSync™、ParallelSync™ 多芯片同步
用于 JESD204B、Subclass 1 的 SYSREF 产生
输出频率范围:
1.95MHz 至 2.5GHz (LTC6591)
2.1MHz 至 2.7GHz (LTC6951-1)–229dBc/Hz 归一化带内相位噪声层
–277dBc/Hz 归一化带内 1/f 噪声
5 个独立的低噪声输出
基准输入频率高达 425MHz
LTC6951 Wizard™ 软件设计工具支持
–40°C 至 105°C 工作结温范围
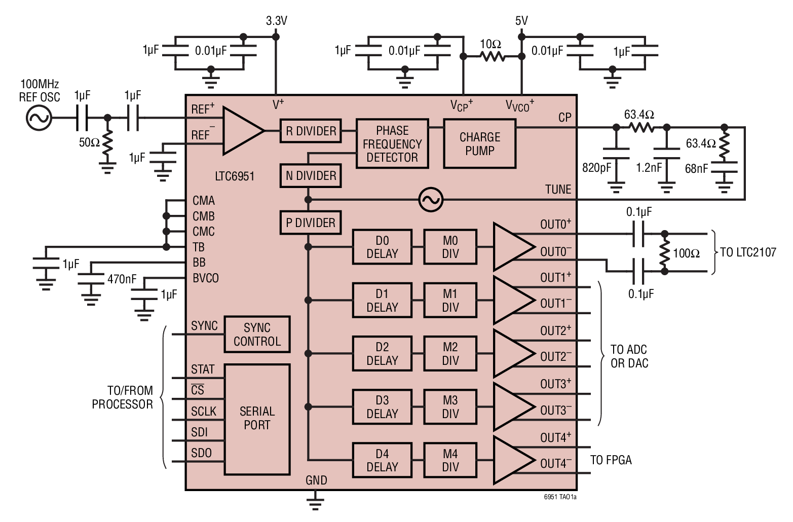
典型应用


描述
LTC®6951 是一款具一个全集成型 VCO 的高性能、低噪声锁相环 (PLL)。低噪声 VCO 未使用外部组件,并且在没有外部系统支持的情况下在内部校准至正确的输出频率。
时钟发生部分提供了 5 个基于 VCO 前置分频器信号的输出,并具有用于每个输出的个别分频器。四个输出具有非常低噪声、低偏斜 CML 逻辑信号。第五个输出是低噪声 LVDS。所有的输出可实现同步并采用可编程延迟设定至精准的相位对齐。
如果任何期望的输出频率位于 2.5GHz 至 2.7GHz、1.66GHz 至 1.8GHz、或 1.25GHz 至 1.35GHz 的范围内,那么选择 LTC6951-1。对于所有其他的频率则选择 LTC6951。
应用
高性能数据转换器计时
无线基础设施
测试和测量
深圳市烨弘轩电子有限公司,我司2011年成立于中国经济特区深圳.我司专注于为全球电子企业提供优质的电子零件供应服务,竭力打造全球品牌元器件零售与批量供应中心。专业经营各类电子元器件(集成电路IC,存储芯片,分立器件,电源,无源元件,连接器,继电器,传感器,光电子,开关,保险元件,紧固件,开发工具,变压器,测试与测量等)。 我们以低成本提供全方位一站式电子元件供应链采购方案,包括但不仅限于电子元件紧急物料搜寻,电子元件齐套供应、电子元件降低成本的长期供应,库存寄售等一系列供应链解决方案。优势供应各类电子组件.
==================
深圳市烨弘轩电子有限公司 重点客户遍布中国内地 港 澳 台地区,另外欧美发达国家以及 一代一路沿线发展中国家我司也有大量长期合作的优质客户。
==================
深圳市烨弘轩电子有限公司 为一般纳税人 可开具17%增值税票 有合作基础可申请月结,延长账期等多种供货付款方式。
==================
公司经营目标:整合全球资源全 芯 全意为您服务。
公司服务宗旨:客户虐我千百遍,我待客户如初恋。
==================
主营 : 主动电子元器件 集成电路 IC 芯片 (AD TI MAX NXP ST LT XILINX ALTERA)等。
==================
联系方式: 您可以通过下面任意一种方式 联系到我们
企业网站:www.yhx-group.com
shype: pretying
阿里旺旺:cd_prety
微信号:yihuazhu666
销售经理:朱宜华 深圳市烨弘轩电子有限公司 深圳市福田区上步工业区204栋5楼东座516室
电话: 0755-82548684 多线
传真: 0755-82523504
手机: 13410068358
QQ : 746277983 1520285168
微信号: yihuazhu666
邮箱: zyh1818118@126.com
==================
烨弘轩电子郑重承诺:
我司所售物料 可提供样品 批量 方案 技术资料 技术支持。所有物料都是 原厂原包原标原装,每一片都来自正规渠道,每一片都可追溯。










