烨弘轩电子最新到货 有最新批号 朱生 13410068358 微信同号 可提供样品 批量 方案 技术资料 技术支持 竭诚为您提供优质服务。需要查询更多产品 www.yhx-group.com 。
LTC2873CUFD LTC2873HUFD LTC2873IUFD 有现货 可添加我们联系方式获取最优惠价格
原厂原包原标原装每一片都来自正规渠道每一片都可追溯
LTC2873 - 具可通断终端的单总线 RS485 / RS232 多协议收发器
特点
一个 RS485 或一个 RS232 收发器
3V 至 5.5V 电源电压
高达 20Mbps RS485
转换控制型 RS232 操作:
可选的 1Mbps 或 250kbps可自动选择集成型 RS485 (120Ω) 和 RS232 (5kΩ) 终端电阻器
高 ESD:±26kV HBM
逻辑环回模式
1.7V 至 5.5V 逻辑接口
支持多达 256 个 RS485 节点
全面防故障的 RS485 接收器消除了 UART 锁定
可提供 H 级 (–40ºC 至 125ºC)
采用 24 引脚 4mm x 5mm QFN 封装
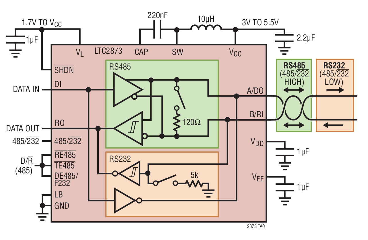
典型应用


描述
LTC®2873 是一款坚固的引脚可配置型多协议收发器,可支持 RS232、RS485 和 RS422 协议,并采用单 3V 至 5.5V 工作电源。LTC2873 可配置为采用相同的两个总线引脚的一个半双工 RS485 收发器或一个 RS232 收发器。
一个通过引脚控制的集成型终端电阻器实现了简易的接口再配置,从而免除了外部电阻器和控制继电器。环回模式负责将驱动器输入引导至接收器输出以进行诊断性的自测试。RS485 接收器可在每根总线上支持多达 256 个节点,并执行针对浮动、短路或端接输入的全故障安全运作。
一个集成型 DC/DC 升压转换器采用一个纤巧的 2mm x 1.6mm 电感器和一个电容器,从而免除了在驱动 RS232 电平时增设多个电源的需要。
应用
可利用软件选择的 RS232 / RS485 / RS422 接口
工业传感器和执行器
报警系统
交通管理和监测
公路标志和大屏幕显示
器件型号 封装 Code 温度 封装图 RoHS 数据
LTC2873CUFD#PBF 4x5 QFN-24 UFD C 05-08-1696 Yes
LTC2873CUFD#TRPBF 4x5 QFN-24 UFD C 05-08-1696 Yes
LTC2873HUFD#PBF 4x5 QFN-24 UFD H 05-08-1696 Yes
LTC2873HUFD#TRPBF 4x5 QFN-24 UFD H 05-08-1696 Yes
LTC2873IUFD#PBF 4x5 QFN-24 UFD I 05-08-1696 Yes
LTC2873IUFD#TRPBF 4x5 QFN-24 UFD I 05-08-1696 Yes
深圳市烨弘轩电子有限公司,我司2011年成立于中国经济特区深圳.我司专注于为全球电子企业提供优质的电子零件供应服务,竭力打造全球品牌元器件零售与批量供应中心。专业经营各类电子元器件(集成电路IC,存储芯片,分立器件,电源,无源元件,连接器,继电器,传感器,光电子,开关,保险元件,紧固件,开发工具,变压器,测试与测量等)。 我们以低成本提供全方位一站式电子元件供应链采购方案,包括但不仅限于电子元件紧急物料搜寻,电子元件齐套供应、电子元件降低成本的长期供应,库存寄售等一系列供应链解决方案。优势供应各类电子组件.
==================
深圳市烨弘轩电子有限公司 重点客户遍布中国内地 港 澳 台地区,另外欧美发达国家以及 一代一路沿线发展中国家我司也有大量长期合作的优质客户。
==================
深圳市烨弘轩电子有限公司 为一般纳税人 可开具17%增值税票 有合作基础可申请月结,延长账期等多种供货付款方式。
==================
公司经营目标:整合全球资源全 芯 全意为您服务。
公司服务宗旨:客户虐我千百遍,我待客户如初恋。
==================
主营 : 主动电子元器件 集成电路 IC 芯片 (AD TI MAX NXP ST LT XILINX ALTERA)等。
==================
联系方式: 您可以通过下面任意一种方式 联系到我们
企业网站:www.yhx-group.com
shype: pretying
阿里旺旺:cd_prety
微信号:yihuazhu666
销售经理:朱宜华 深圳市烨弘轩电子有限公司 深圳市福田区上步工业区204栋5楼东座516室
电话: 0755-82548684 多线
传真: 0755-82523504
手机: 13410068358
QQ : 746277983 1520285168
微信号: yihuazhu666
邮箱: zyh1818118@126.com
==================
烨弘轩电子郑重承诺:
我司所售物料 可提供样品 批量 方案 技术资料 技术支持。所有物料都是 原厂原包原标原装,每一片都来自正规渠道,每一片都可追溯。










