烨弘轩电子最新到货 有最新批号 朱生 13410068358 微信同号 可提供样品 批量 方案 技术资料 技术支持 竭诚为您提供优质服务。需要查询更多产品 www.yhx-group.com 。
LTC2386CUH-16 LTC2386IUH-16 有现货 可添加我们联系方式获取最优惠价格
原厂原包原标原装每一片都来自正规渠道每一片都可追溯
LTC2386-16 - 16 位、10Msps、SAR ADC
特点
10Msps 吞吐速率
无流水线延迟,无周期延迟
在 fIN = 1MHz 时的 SNR 典型值为 93.8dB
在 fIN = 1MHz 时的 SFDR 典型值为 102dB
输入频率高达 5MHz 的奈奎斯特采样
保证 16 位,无漏失码
±0.5LSB INL (最大值)
8.192VP-P 差分输入
5V 和 2.5V 电源
内部 20ppm/°C (最大值) 基准
串行 LVDS 接口
97mW 功率耗散
32 引脚 (5mm x 5mm) QFN 封装
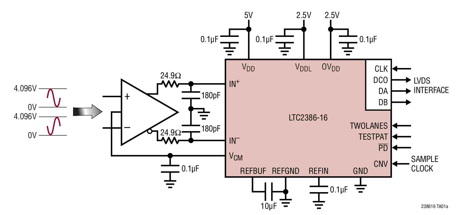
典型应用


描述
LTC®2386-16 是一款非常适合众多应用的低噪声、高速、16 位、10Msps 逐次逼近型寄存器 (SAR) ADC。LTC2386-16 兼具卓越的线性和动态范围,因而成为了高速成像和仪表应用的理想选择。无延迟操作提供了一种面向高速控制环路应用的独特解决方案。高输入频率下的非常低失真可实现需要宽动态范围和大信号带宽的通信应用。
为了在尽量减少数据线数目的同时支持高速运作,LTC2386-16 具有一个串行 LVDS数字接口。该 LVDS 接口拥有单线道和双线道输出模式,从而允许用户针对每种应用来优化接口数据速率。
应用
高速数据采集
成像
通信
控制环路
仪表
ATE (自动测试设备)
深圳市烨弘轩电子有限公司,我司2011年成立于中国经济特区深圳.我司专注于为全球电子企业提供优质的电子零件供应服务,竭力打造全球品牌元器件零售与批量供应中心。专业经营各类电子元器件(集成电路IC,存储芯片,分立器件,电源,无源元件,连接器,继电器,传感器,光电子,开关,保险元件,紧固件,开发工具,变压器,测试与测量等)。 我们以低成本提供全方位一站式电子元件供应链采购方案,包括但不仅限于电子元件紧急物料搜寻,电子元件齐套供应、电子元件降低成本的长期供应,库存寄售等一系列供应链解决方案。优势供应各类电子组件.
==================
深圳市烨弘轩电子有限公司 重点客户遍布中国内地 港 澳 台地区,另外欧美发达国家以及 一代一路沿线发展中国家我司也有大量长期合作的优质客户。
==================
深圳市烨弘轩电子有限公司 为一般纳税人 可开具17%增值税票 有合作基础可申请月结,延长账期等多种供货付款方式。
==================
公司经营目标:整合全球资源全 芯 全意为您服务。
公司服务宗旨:客户虐我千百遍,我待客户如初恋。
==================
主营 : 主动电子元器件 集成电路 IC 芯片 (AD TI MAX NXP ST LT XILINX ALTERA)等。
==================
联系方式: 您可以通过下面任意一种方式 联系到我们
企业网站:www.yhx-group.com
shype: pretying
阿里旺旺:cd_prety
微信号:yihuazhu666
销售经理:朱宜华 深圳市烨弘轩电子有限公司 深圳市福田区上步工业区204栋5楼东座516室
电话: 0755-82548684 多线
传真: 0755-82523504
手机: 13410068358
QQ : 746277983 1520285168
微信号: yihuazhu666
邮箱: zyh1818118@126.com
==================
烨弘轩电子郑重承诺:
我司所售物料 可提供样品 批量 方案 技术资料 技术支持。所有物料都是 原厂原包原标原装,每一片都来自正规渠道,每一片都可追溯。










